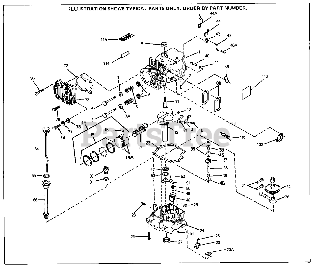
SBV-SBV-299 - Tecumseh Short Block Engine Parts List Parts Diagram

Short Block

Engine Parts List Parts Diagram

  • Title
1

Tecumseh 33866A

"Cylinder (CI liner)(Incl. 2, 4, 5, 73 , 114) (3-1/16" Bore)

$

$

Currently unavailable

2

Tecumseh 27652

Dowel Pin

$2.49

$

In Stock, only 2 left!

0

3

Tecumseh 32590

Plate, Lock Used in early production only

$

$

Not available

4

Tecumseh 32630

Seal, Oil

$8.49

$

In Stock, only 2 left!

0

5

Tecumseh 33242

Intake Valve (Std)

$

$

Not available

5

Tecumseh 33243

Intake Valve (1/32" OS)

$

$

Currently unavailable

6

Tecumseh 27878A

Exhaust Valve (Std.)(Incl. 151)

$23.99

$

In Stock, only 2 left!

0

6

Tecumseh 27880A

Exhaust Valve (1/32" OS) (Incl. 151)

$

$

Not available

7A

Tecumseh 27882

Valve Spring Cap

$1.99

$

In Stock, Qty 8

0

7

Tecumseh 27882

Valve Spring Cap

$1.99

$

In Stock, Qty 8

0

8

Tecumseh 27881

Valve Spring

$3.99

$

In Stock, only 2 left!

0

9

Tecumseh 32581

Cap, Lower valve spring

$6.49

$

In Stock, only 1 left!

0

10

Tecumseh 650662C

Bolt, Connecting rod

$3.99

$

Usually ships in 3-12 days

0

11

Tecumseh 33749A

Crankshaft

$

$

Currently unavailable

12

Tecumseh 29783

Pin, Crankshaft gear only)

$1.99

$

In Stock, only 1 left!

0

13

Tecumseh 33245

Crankshaft Gear Early production onl y

$

$

Not available

14

Tecumseh 34540

Piston, Pin & Ring Set (Std) 3-1/16" Bore

$75.99

$

Usually ships in 3-12 days

0

14

Tecumseh 34541

Piston, Pin & Ring Set (.010" OS)

$75.99

$

Usually ships in 3-12 days

0

14

Tecumseh 34542

Piston, Pin & Ring Set (.020" OS)

$

$

Currently unavailable

14A

Tecumseh 33869B

Piston & Pin Set (Std)(Incl. 16) 3-1/ 16"

$

$

Not available

14A

Tecumseh 33870B

Piston & Pin Set (.010" OS) Incl. 16

$43.99

$

Usually ships in 3-12 days

0

14A

Tecumseh 33871B

Piston & Pin Set (.020" OS) Incl. 16

$

$

Currently unavailable

15

Tecumseh 33873

Ring Set (Std) (3-1/16" Bore)

$

$

Not available

15

Tecumseh 33874

Ring Set (.010" OS)

$38.99

$

Usually ships in 3-12 days

0

15

Tecumseh 33875

Ring Set (.020" OS)

$

$

Not available

15

Tecumseh 34332

Ring Set (Std) (3-1/8" Bore)
(Superseded to 40049)

$

$

Not available

15

Tecumseh 34333

Ring Set (.010" OS)

$

$

Not available

15

Tecumseh 34334

Ring Set (.020" OS)

$38.99

$

Usually ships in 3-12 days

0

16

Tecumseh 27888

Piston Pin Retaining Ring

$1.99

$

Usually ships in 3-12 days

0

17

Tecumseh 32591C

Rod Assy., Connecting (Incl. 10)

$

$

Not available

20A

Tecumseh 33581

Screen, Oil filter (Use as required)

$

$

Not available

21

Tecumseh 34034

Lifter, Valve
(Superseded to 34034A)

$10.99

$

In Stock, only 2 left!

0

22

Tecumseh 33579

Camshaft

$

$

Currently unavailable

23

Tecumseh 35262

Gasket, Mounting flange
(Superseded to 37342)

$11.99

$

In Stock, only 3 left!

0

24

Tecumseh 33767

Flange, Mounting (Incl. 27, 28 & 35)

$152.99

$

Usually ships in 3-12 days

0

25

Tecumseh 29117

Screw, 8-32 x 5/16" (Use as required)

$1.99

$

In Stock, only 1 left!

0

26

Tecumseh 31356

Pump Assy., Oil

$12.99

$

In Stock, only 1 left!

0

27

Tecumseh 31950

Seal, Oil

$17.99

$

In Stock, only 2 left!

0

28

Tecumseh 31927

Plug, Pipe

$1.99

$

Usually ships in 3-12 days

0

29

Tecumseh 650488

Screw, 1/4-20 x 1-1/4"

$1.99

$

Usually ships in 3-12 days

0

35

Tecumseh 30668

Shaft, Mechanical governor

$1.99

$

In Stock, only 1 left!

0

36

Tecumseh 31707A

Spacer, Governor gear (Incl. 45)

$1.99

$

Usually ships in 3-12 days

0

37

Tecumseh 30591

Gear Assy., Governor (Incl. 45)

$13.99

$

In Stock, only 2 left!

0

38

Tecumseh 30588A

Spool, Governor

$1.99

$

In Stock, only 3 left!

0

39

Tecumseh 29193

Retaining Ring

$1.99

$

In Stock, Qty 13

0

40A

Tecumseh 33577

Rod, Governor lever

$7.49

$

In Stock, only 1 left!

0

41

Tecumseh 28277

Flat Washer

$1.99

$

In Stock, Qty 5

0

42

Tecumseh 31335

Clamp, Governor lever

$1.99

$

In Stock, only 4 left!

0

43

Tecumseh 650548

Screw, 8-32 x 5/16"
(Superseded to 651018)

$1.99

$

In Stock, only 4 left!

0

44A

Tecumseh 32651

Lever, Governor

$

$

Not available

46

Tecumseh 27915A

Intake Pipe Gasket

$5.99

$

In Stock, only 3 left!

0

72

Tecumseh 34041A

Gasket, Cylinder head
(Superseded to 34923A)

$7.99

$

In Stock, only 2 left!

0

80

Tecumseh 27896A

Valve Cover Gasket

$1.49

$

In Stock, Qty 20+

0

102

Tecumseh 27930A

Gasket, Exhaust
(Superseded to 35865)

$2.49

$

In Stock, Qty 12

0

113

Tecumseh 34346

Decal, Instruction
(Superseded to 36261)

$

$

Not available

114

Tecumseh 34028

Decal, Model & Serial Number

$

$

Not available

115

Tecumseh 550223

Decal, Name

$

$

Not available