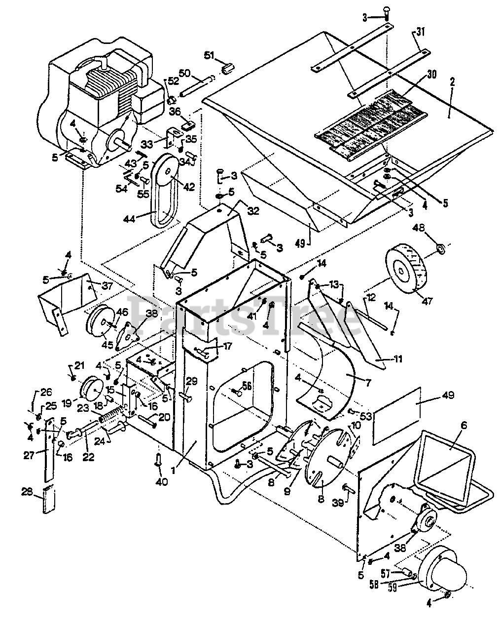
SH-8000 R - Echo Shredder (SN: E081612 - E999999) (1992 - 1993) Shredder Frame, Hopper, Rotor, Drv Sys, Discharge, Wheels Parts Diagram

Shredder

Shredder Frame, Hopper, Rotor, Drv Sys, Discharge, Wheels Parts Diagram

  • Title
------------------

SCREEN

Note: See "Accessories" parts list.

$

$

Not available

7

Echo 99922202249

INSTRUCTIONS, SHREDDER KIT

$

$

Currently unavailable

7

Echo 99922202249

INSTRUCTIONS, SHREDDER KIT

$

$

Currently unavailable

16

Echo 70069126

SPACER, IDLER PIVOT

$5.99

$

Usually ships in 2-4 days

0

16

Echo 70007256

ANGLE, HONDA GUARD SUPPORT - 8 HP

$

$

Currently unavailable

16

Echo 70016234

BEARING

$56.99

$

Usually ships in 2-4 days

0

49

Echo 99945000300

LABEL - MODEL SH-3000

$

$

Currently unavailable

49

Echo 99945000310

LABEL - MODEL SH-5000
(Superseded to Discontinued)

$

$

Not available

49

Echo 99945000320

LABEL - MODEL SH-8000E
(Superseded to Discontinued)

$

$

Not available

49

Echo 99945000330

LABEL - MODEL SH-8000 E
(Superseded to Discontinued)

$

$

Not available

49

Echo 99945000340

LABEL - MODEL SH-8000 I.C.
(Superseded to Discontinued)

$

$

Not available

49

Echo 99945000350

LABEL - MODEL SH-8000 R
(Superseded to Discontinued)

$

$

Not available