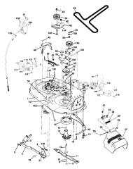
SO 17542 LT (960120022-00) - Statesman Lawn Tractor (2005) (Southern States) Parts & Diagrams Parts Lists & Diagrams

Lawn Tractor