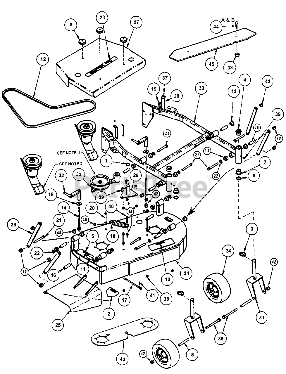
SPP 90KW (7080893) - Snapper Walk-Behind Mower, 9hp Mower Deck Assembly - Adjustable Height (36") Parts Diagram

Walk-Behind Mower, 9hp

Mower Deck Assembly - Adjustable Height (36") Parts Diagram

  • Title
1

Snapper Pro 7012709

SNAP-RING, 1" External
(Superseded to 703993)

$3.49

$

In Stock, Qty 20+

0

2

Snapper Pro 7013010

DECAL, Warning (CPSC Cut Finger)
(Superseded to 7013010SM)

$9.99

$

In Stock, only 4 left!

0

3

Snapper Pro 7017711

PIN, 7/16" Head Lynch
(Superseded to 5020655SM)

$10.99

$

In Stock, only 2 left!

0

4

Snapper Pro 7028641

SPACER, 1" x 1 3/8 x .30" (PM)
(Superseded to 7028641YP)

Note: Was 21960

$

$

Not available

5

Snapper Pro 7022151

SLEEVE/SPACER, Axle
(Superseded to 7022151YP)

$46.99

$

In Stock, only 2 left!

0

6

Snapper Pro 7022522

DECAL, Warning
(Superseded to 7046720SM)

$7.99

$

In Stock, only 1 left!

0

7

Snapper Pro 7023556

BUSHING, Caster
(Superseded to 7023556YP)

$8.49

$

In Stock, Qty 16

0

8

Snapper Pro 7023735

KNOB, Hood

$7.49

$

In Stock, Qty 20+

0

9

Snapper Pro 7023747

BUSHING, 1"
(Superseded to 7023747YP)

$5.49

$

In Stock, Qty 14

0

10

Snapper Pro 7073647

DECAL, Caution- Operator Instruction
(Superseded to 7073647YP)

Note: Was 24156

$8.49

$

In Stock, only 2 left!

0

11

Snapper Pro 7027950

SPRING, Chute
(Superseded to 7027950YP)

$

$

Not available

12

Snapper Pro 7035710

V-BELT, Deck Drive 36"
(Superseded to 7035710YP)

$

$

Not available

13

Snapper Pro 7029258

BUSHING, Suspension
(Superseded to 7029258YP)

$8.49

$

In Stock, Qty 20+

0

14

Snapper Pro 7029259

STUD, Lift
(Superseded to 5600284YP)

$60.99

$

In Stock, only 1 left!

0

15

Snapper Pro 7029260

WASHER, Lift

$25.99

$

Usually ships in 2-12 days

0

16

Snapper Pro 7029263

SLEEVE, Suspension
(Superseded to 7029263YP)

$26.99

$

In Stock, Qty 9

0

17

Snapper Pro 7029277

HINGE PIN, Chute
(Superseded to 7029277YP)

$41.99

$

Usually ships in 2-12 days

0

18

Snapper Pro 7029278

SPRING, Idler
(Superseded to 7029278YP)

$15.99

$

In Stock, Qty 8

0

19

Snapper Pro 7029295

DECAL, Height-of-Cut

$

$

Not available

20

Snapper Pro 7029303

STANDOFF, 3-1/2"
(Superseded to 7029303YP)

$51.99

$

Usually ships in 2-12 days

0

21

Snapper Pro 7029355

BOLT, 1/2-13 x 3-3/4" Grade 5
(Superseded to 7029355YP)

$5.99

$

In Stock, only 4 left!

0

22

Snapper Pro 7091587

WASHER, 1/2" Flat

$

$

Not available

23

Snapper Pro 7029452

DECAL, Snapper Pro
(Superseded to 7029452YP)

$7.49

$

Usually ships in 2-12 days

0

24

Snapper Pro 7058167

ASSEMBLY, Wheel/Tire
(Superseded to 7058167YP)

Note: Was 29869

$

$

Not available

25

Snapper Pro 7034962

DEFLECTOR, Chute Red
(Superseded to 7034962YP)

$

$

Not available

26

Snapper Pro 7034964

ARM, Suspension
(Superseded to 7034964YP)

$

$

Not available

27

Snapper Pro 7034980

COVER, 36"
(Superseded to 7034980YP)

$349.99

$

Usually ships in 2-12 days

0

28

Snapper Pro 7035279

BRACKET, Height-of-Cut
(Superseded to 7035279YP)

$29.99

$

Usually ships in 2-12 days

0

29

Snapper Pro 7041295

PIVOT, Idler (Weldment)
(Superseded to 7041295YP)

$

$

Not available

30

Snapper Pro 7041815

FRAME, 36" Adjustable (Weldment)
(Superseded to 7042473YP)

$815.99

$

Usually ships in 2-12 days

0

31

Snapper Pro 7054464

CASTER Weldment
(Superseded to 7054464BMYP)

Note: Was 42451

$235.99

$

In Stock, only 2 left!

0

32

Snapper Pro 7054012

ASSEMBLY, Crank
(Superseded to 7054012YP)

$

$

Not available

33

Snapper Pro 7054018

ASSEMBLY, Idler Arm 36"
(Superseded to 7054018YP)

$

$

Not available

34

Snapper Pro 7054031

ASSEMBLY, Deck Red Adjustable Height

$

$

Currently unavailable

35

Snapper Pro 7076998

FITTING, Lube 1/4-28 Straight
(Superseded to 703153)

$3.99

$

In Stock, Qty 5

0

36

Snapper Pro 5025017X44

BOLT, 1/2-13 X 5-1/2" GD5 YZ
(Superseded to 5025017X44SM)

Note: Was 91123

$8.49

$

In Stock, Qty 6

0

37

Snapper Pro 7091084

SCREW, 1/4-20 x 3/8" Hex Washer Self-Tap
(Superseded to 703583)

Note: Was 91293

$4.99

$

In Stock, Qty 20+

0

38

Snapper Pro 5025128

NUT, 3/8-16 HEX SERRATED FLANGE
(Superseded to 5025128SM)

Note: Was 90613

$3.49

$

In Stock, only 3 left!

0

39

Snapper Pro 5025013X8

BOLT, 3/8-16 X 1" GD5 CZ
(Superseded to 5025013X8SM)

$3.99

$

In Stock, Qty 20+

0

40

Snapper Pro 5025013X16

BOLT, 3/8-16 X 2, GD5, CZ
(Superseded to 80003522)

$4.49

$

In Stock, Qty 5

0

41

Snapper Pro 7091313

PIN, 3/32 x 1" Cotter

$

$

Not available

42

Snapper Pro 7091325

NUT, 1/2-13 Nyloc
(Superseded to 7091325YP)

$4.99

$

In Stock, only 4 left!

0

43

Snapper Pro 7035552

PLATE, Stiffner (7 Ga.)
(Superseded to 7035552YP)

Note: (Not used on MY97 decks); Mounted underneath Deck

$172.99

$

Usually ships in 2-12 days

0

44A

Snapper Pro 5025013X16

BOLT, 3/8-16 X 2, GD5, CZ
(Superseded to 80003522)

$4.49

$

In Stock, Qty 5

0

44B

Snapper Pro 5025013X10

BOLT, 3/8-16 X 1-1/4" GD5 CZ
(Superseded to 5025013X10SM)

$4.49

$

In Stock, Qty 20+

0

45

Snapper Pro 7035756

COUNTERWEIGHT
(Superseded to 7035756YP)

Note: (MY96 uses 4; MY97 uses 2)

$93.99

$

Usually ships in 2-12 days

0