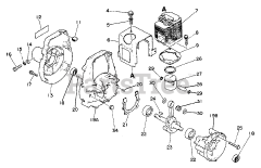
SRM-200 BE - Echo String Trimmer Parts & Diagrams Parts Lists & Diagrams

String Trimmer