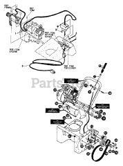
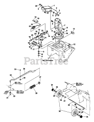
ST-5000 - Echo Snow Thrower (SN: 0001001 - 0001470) Parts & Diagrams Parts Lists & Diagrams

Snow Thrower