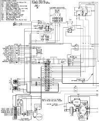
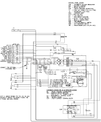
ST04524GNSN - Generac 45kW Home Standby Generator (SN: 4690928 - 4715757) (2007) Parts & Diagrams Parts Lists & Diagrams

45kW Home Standby Generator

ST04524GNSN - Generac 45kW Home Standby Generator (SN: 4690928 - 4715757) (2007) > Parts Diagrams (49)