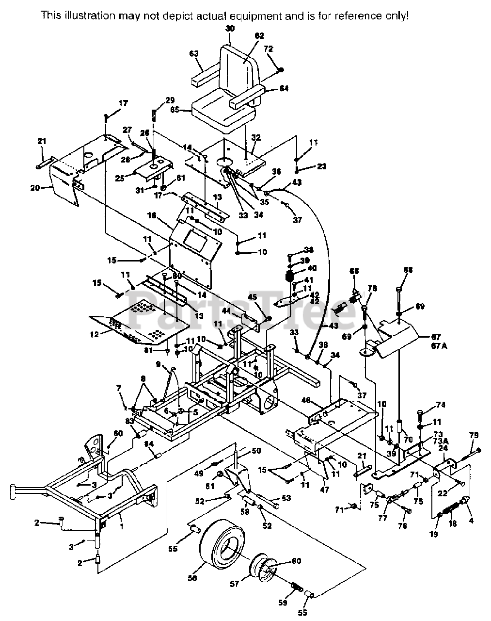
STZ-20KH - Scag STZ Zero-Turn Mower, 20hp Kohler (SN: 30000 - 39999) SHEET METAL COMPONENTS Parts Diagram

STZ Zero-Turn Mower, 20hp Kohler

SHEET METAL COMPONENTS Parts Diagram

  • Title
1

Scag 46466

CUTTER DECK SUPPORT FRAME ASSEMBLY

$

$

Not available

2

Scag 48100-08

BUSHING

$5.99

$

Usually ships in 2-12 days

0

3

Scag 48114-04

GREASE FITTING

$0.99

$

In Stock, Qty 8

0

4

Scag 43150

SPACER, LONG
(Superseded to 43257)

$

$

Not available

5

HEX NUT, 3/4-16 ELASTIC STOP

Note: COMMON HARDWARE WHICH SHOULD BE PURCHASED LOCALLY. ALL BOLTS GRADE 5 PLATED, ALL OTHER FASTENERS ZINC PLATED.

$

$

Not available

6

FLAT WASHER, 3/4"

Note: COMMON HARDWARE WHICH SHOULD BE PURCHASED LOCALLY. ALL BOLTS GRADE 5 PLATED, ALL OTHER FASTENERS ZINC PLATED.

$

$

Not available

7

Scag 04062-02

HAIR PIN, 1/16" DIA

$0.99

$

In Stock, Qty 20+

0

8

FLAT WASHER, 3/8"

Note: COMMON HARDWARE WHICH SHOULD BE PURCHASED LOCALLY. ALL BOLTS GRADE 5 PLATED, ALL OTHER FASTENERS ZINC PLATED.

$

$

Not available

9

Scag 44062

ROD, FOOT PLATE LATCH

$

$

Not available

10

HEX NUT, 5/16-18

Note: COMMON HARDWARE WHICH SHOULD BE PURCHASED LOCALLY. ALL BOLTS GRADE 5 PLATED, ALL OTHER FASTENERS ZINC PLATED.

$

$

Not available

11

LOCKWASHER, 5/16"

Note: COMMON HARDWARE WHICH SHOULD BE PURCHASED LOCALLY. ALL BOLTS GRADE 5 PLATED, ALL OTHER FASTENERS ZINC PLATED.

$

$

Not available

12

Scag 42764

FOOT PLATE

$

$

Not available

13

Scag 48547

HINGE
(Superseded to 481049)

$48.99

$

In Stock, only 1 left!

0

14

CARRIAGE BOLT, 5/16-18 X 3/4"

Note: COMMON HARDWARE WHICH SHOULD BE PURCHASED LOCALLY. ALL BOLTS GRADE 5 PLATED, ALL OTHER FASTENERS ZINC PLATED.

$

$

Not available

15

HEX HEAD BOLT, 5/16-18 X 3/4"

Note: COMMON HARDWARE WHICH SHOULD BE PURCHASED LOCALLY. ALL BOLTS GRADE 5 PLATED, ALL OTHER FASTENERS ZINC PLATED.

$

$

Not available

16

Scag 421174

KICK PLATE

$

$

Not available

17

CARRIAGE BOLT, 5/16-18 X 1"

Note: COMMON HARDWARE WHICH SHOULD BE PURCHASED LOCALLY. ALL BOLTS GRADE 5 PLATED, ALL OTHER FASTENERS ZINC PLATED.

$

$

Not available

18

Scag 48746

NEUTRAL RETURN SPRING

$

$

Not available

19

Scag 43151

SPACER, SHORT

$7.49

$

Usually ships in 2-12 days

0

20

Scag 46468

FENDER ASSEMBLY - RH(W/DECALS)

$

$

Not available

21

Scag 42888

NEUTRAL LOCK BAR

$

$

Not available

22

Scag 04003-04

CARRIAGE BOLT, 5/16-18 X 1"

$0.99

$

In Stock, Qty 8

0

23

HEX HEAD BOLT, 5/16-18 X 3/4"

Note: COMMON HARDWARE WHICH SHOULD BE PURCHASED LOCALLY. ALL BOLTS GRADE 5 PLATED, ALL OTHER FASTENERS ZINC PLATED.

$

$

Not available

24

Scag 421148

RETAINER, NEUTRAL SPRING

$21.99

$

Usually ships in 2-12 days

0

25

Scag 45405

SEAT SWITCH BRACKET

$

$

Not available

26

Scag 48463

SPRING

$5.49

$

Usually ships in 2-12 days

0

27

Scag 04064-04

CLEVIS PIN

$26.99

$

Usually ships in 2-12 days

0

28

Scag 04062-02

HAIR PIN COTTER

$0.99

$

In Stock, Qty 20+

0

29

HEX HEAD BOLT, 5/16-18 X 3-3/4"

Note: COMMON HARDWARE WHICH SHOULD BE PURCHASED LOCALLY. ALL BOLTS GRADE 5 PLATED, ALL OTHER FASTENERS ZINC PLATED.

$

$

Not available

30

Scag 48704

SEAT
(Superseded to 48831)

$

$

Not available

31

HEX NUT, 5/16-18 ELASTIC STOP

Note: COMMON HARDWARE WHICH SHOULD BE PURCHASED LOCALLY. ALL BOLTS GRADE 5 PLATED, ALL OTHER FASTENERS ZINC PLATED.

$

$

Not available

32

Scag 45404

SEAT BASE

$

$

Not available

33

HEX NUT, 1/4-20 ELASTIC STOP

Note: COMMON HARDWARE WHICH SHOULD BE PURCHASED LOCALLY. ALL BOLTS GRADE 5 PLATED, ALL OTHER FASTENERS ZINC PLATED.

$

$

Not available

34

LOCKWASHER, 1/4"

Note: COMMON HARDWARE WHICH SHOULD BE PURCHASED LOCALLY. ALL BOLTS GRADE 5 PLATED, ALL OTHER FASTENERS ZINC PLATED.

$

$

Not available

35

FLAT WASHER, 1/4"

Note: COMMON HARDWARE WHICH SHOULD BE PURCHASED LOCALLY. ALL BOLTS GRADE 5 PLATED, ALL OTHER FASTENERS ZINC PLATED.

$

$

Not available

36

HEX NUT, 1/4-20

Note: COMMON HARDWARE WHICH SHOULD BE PURCHASED LOCALLY. ALL BOLTS GRADE 5 PLATED, ALL OTHER FASTENERS ZINC PLATED.

$

$

Not available

37

HEX HEAD BOLT, 1/4-20 X 1"

Note: COMMON HARDWARE WHICH SHOULD BE PURCHASED LOCALLY. ALL BOLTS GRADE 5 PLATED, ALL OTHER FASTENERS ZINC PLATED.

$

$

Not available

38

HEX HEAD BOLT, 5/16-18 X 1-1/4"

Note: COMMON HARDWARE WHICH SHOULD BE PURCHASED LOCALLY. ALL BOLTS GRADE 5 PLATED, ALL OTHER FASTENERS ZINC PLATED.

$

$

Not available

39

FLAT WASHER, 5/16"

Note: COMMON HARDWARE WHICH SHOULD BE PURCHASED LOCALLY. ALL BOLTS GRADE 5 PLATED, ALL OTHER FASTENERS ZINC PLATED.

$

$

Not available

40

Scag 48686

SEAT SPRING

$

$

Not available

41

HEX HEAD BOLT, 5/16-18 X 1"

Note: COMMON HARDWARE WHICH SHOULD BE PURCHASED LOCALLY. ALL BOLTS GRADE 5 PLATED, ALL OTHER FASTENERS ZINC PLATED.

$

$

Not available

42

Scag 42919

OIL COOLER MOUNTING BRACKET - LH

$

$

Not available

?42A

Scag 42920

OIL COOLER MOUNTING BRACKET - RH

$

$

Not available

43

Scag 48716

CABLE, SEAT STOP

$

$

Not available

44

Scag 42885

FENDER BRACKET - RH & LH

$

$

Not available

45

HEX HEAD BOLT, 5/16-18 X 2-1/2"

Note: COMMON HARDWARE WHICH SHOULD BE PURCHASED LOCALLY. ALL BOLTS GRADE 5 PLATED, ALL OTHER FASTENERS ZINC PLATED.

$

$

Not available

46

Scag 46469

FENDER ASSEMBLY - LH(W/DECALS)

$

$

Not available

47

Scag 42901

LH FENDER EXTENSION

$

$

Not available

?48

Scag 46392

CASTER WHEEL ASSEMBLY, COMPLETE

$

$

Not available

49

Scag 04066-01

QUICK PIN

$8.49

$

In Stock, only 4 left!

0

50

Scag 45325

CASTER WHEEL YOKE

$226.99

$

Usually ships in 2-12 days

0

51

HEX NUT, 1/2-13 ELASTIC STOP

Note: COMMON HARDWARE WHICH SHOULD BE PURCHASED LOCALLY. ALL BOLTS GRADE 5 PLATED, ALL OTHER FASTENERS ZINC PLATED.

$

$

Not available

52

Scag 43041

SPACER

$4.99

$

Usually ships in 2-12 days

0

53

HEX HEAD BOLT, 1/2-13 X 6-1/2"

Note: COMMON HARDWARE WHICH SHOULD BE PURCHASED LOCALLY. ALL BOLTS GRADE 5 PLATED, ALL OTHER FASTENERS ZINC PLATED.

$

$

Not available

?54

Scag 48537

WHEEL ASSEMBLY, COMPLETE

$248.99

$

In Stock, only 2 left!

0

55

Scag 48006-07

RETAINER
(Superseded to 481770)

$4.99

$

In Stock, Qty 20+

0

56

Scag 48537-02

TIRE ONLY
(Superseded to 481830)

$62.99

$

Usually ships in 2-12 days

0

57

Scag 48537-03

RIM ONLY
(Superseded to 481829)

$117.99

$

Usually ships in 2-12 days

0

58

Scag 43022

SLEEVE

$6.99

$

In Stock, Qty 20+

0

59

Scag 48006-06

ROLLER BEARING
(Superseded to 481769)

$27.99

$

In Stock, Qty 15

0

60

Scag 48114-05

GREASE FITTING

$1.49

$

In Stock, Qty 9

0

61

Scag 48717

SEAT SWITCH

$9.99

$

Usually ships in 2-12 days

0

62

Scag 48704-02

SEAT BACK CUSHION
(Superseded to 484716)

$186.99

$

Usually ships in 2-12 days

0

63

Scag 48704-04

ARM PAD - RH
(Superseded to 482108)

$97.99

$

In Stock, only 3 left!

0

64

Scag 48704-05

ARM PAD - LH
(Superseded to 482107)

$97.99

$

In Stock, only 2 left!

0

65

Scag 48704-03

CUSHION ASSEMBLY
(Superseded to 482111)

$264.99

$

Usually ships in 2-12 days

0

66

Scag 48522

NEUTRAL INTERLOCK SWITCH
(Superseded to 481474)

$103.99

$

Usually ships in 2-12 days

0

67

Scag 421136

RH NEUTRAL LOCK BRACKET

$

$

Not available

67A

Scag 421137

LH NEUTRAL LOCK BRACKET

$

$

Not available

68

BOLT, HEX HEAD, 5/16-18 X 2 3/4"

Note: COMMON HARDWARE WHICH SHOULD BE PURCHASED LOCALLY. ALL BOLTS GRADE 5 PLATED, ALL OTHER FASTENERS ZINC PLATED.

$

$

Not available

69

FLAT WASHER, 5/16"

Note: COMMON HARDWARE WHICH SHOULD BE PURCHASED LOCALLY. ALL BOLTS GRADE 5 PLATED, ALL OTHER FASTENERS ZINC PLATED.

$

$

Not available

?70

Scag 43242

SPACER, NEUTRAL LOCK BRACKET

$

$

Not available

71

HEX NUT, 3/8-24 UNF

Note: COMMON HARDWARE WHICH SHOULD BE PURCHASED LOCALLY. ALL BOLTS GRADE 5 PLATED, ALL OTHER FASTENERS ZINC PLATED.

$

$

Not available

72

Scag 48704-06

HEX HEAD SCREW W/WASHER, 1/4-20 X 3/4"
(Superseded to 04010-22)

$3.49

$

Usually ships in 2-12 days

0

73

Scag 421146

LH NEUTRAL CONTROL MOUNTING BRACKET

$

$

Not available

73A

Scag 421147

RH NEUTRAL CONTROL MOUNTING BRACKET

$

$

Not available

74

BOLT, HEX HEAD, 3/8-16 X 3/4"

Note: COMMON HARDWARE WHICH SHOULD BE PURCHASED LOCALLY. ALL BOLTS GRADE 5 PLATED, ALL OTHER FASTENERS ZINC PLATED.

$

$

Not available

75

Scag 43240

SPACER NEUTRAL SPRING

$

$

Not available

76

HEX HEAD BOLT, 3/8-16 X 2 1/4"

Note: COMMON HARDWARE WHICH SHOULD BE PURCHASED LOCALLY. ALL BOLTS GRADE 5 PLATED, ALL OTHER FASTENERS ZINC PLATED.

$

$

Not available

77

Scag 48464

BALL JOINT, NEUTRAL

$23.99

$

In Stock, only 2 left!

0

78

HEX HEAD BOLT, 5/16-18 X 3/4"

Note: COMMON HARDWARE WHICH SHOULD BE PURCHASED LOCALLY. ALL BOLTS GRADE 5 PLATED, ALL OTHER FASTENERS ZINC PLATED.

$

$

Not available

79

Scag 48512

HEX HEAD BOLT, 3/8-24 X 6 3/4" SPECIAL

$41.99

$

Usually ships in 2-12 days

0

?80

CARRIAGE BOLT, 5/16-18 X 1/2"

Note: COMMON HARDWARE WHICH SHOULD BE PURCHASED LOCALLY. ALL BOLTS GRADE 5 PLATED, ALL OTHER FASTENERS ZINC PLATED.

$

$

Not available

?81

CENTER LOCK NUT, 5/16-18

Note: COMMON HARDWARE WHICH SHOULD BE PURCHASED LOCALLY. ALL BOLTS GRADE 5 PLATED, ALL OTHER FASTENERS ZINC PLATED.

$

$

Not available

?82

HEX NUT, 3/8-24

Note: COMMON HARDWARE WHICH SHOULD BE PURCHASED LOCALLY. ALL BOLTS GRADE 5 PLATED, ALL OTHER FASTENERS ZINC PLATED.

$

$

Not available

83

Scag 48100-09

BUSHING

$

$

Not available

?84

Scag 48100-10

BUSHING

$6.49

$

Usually ships in 2-12 days

0