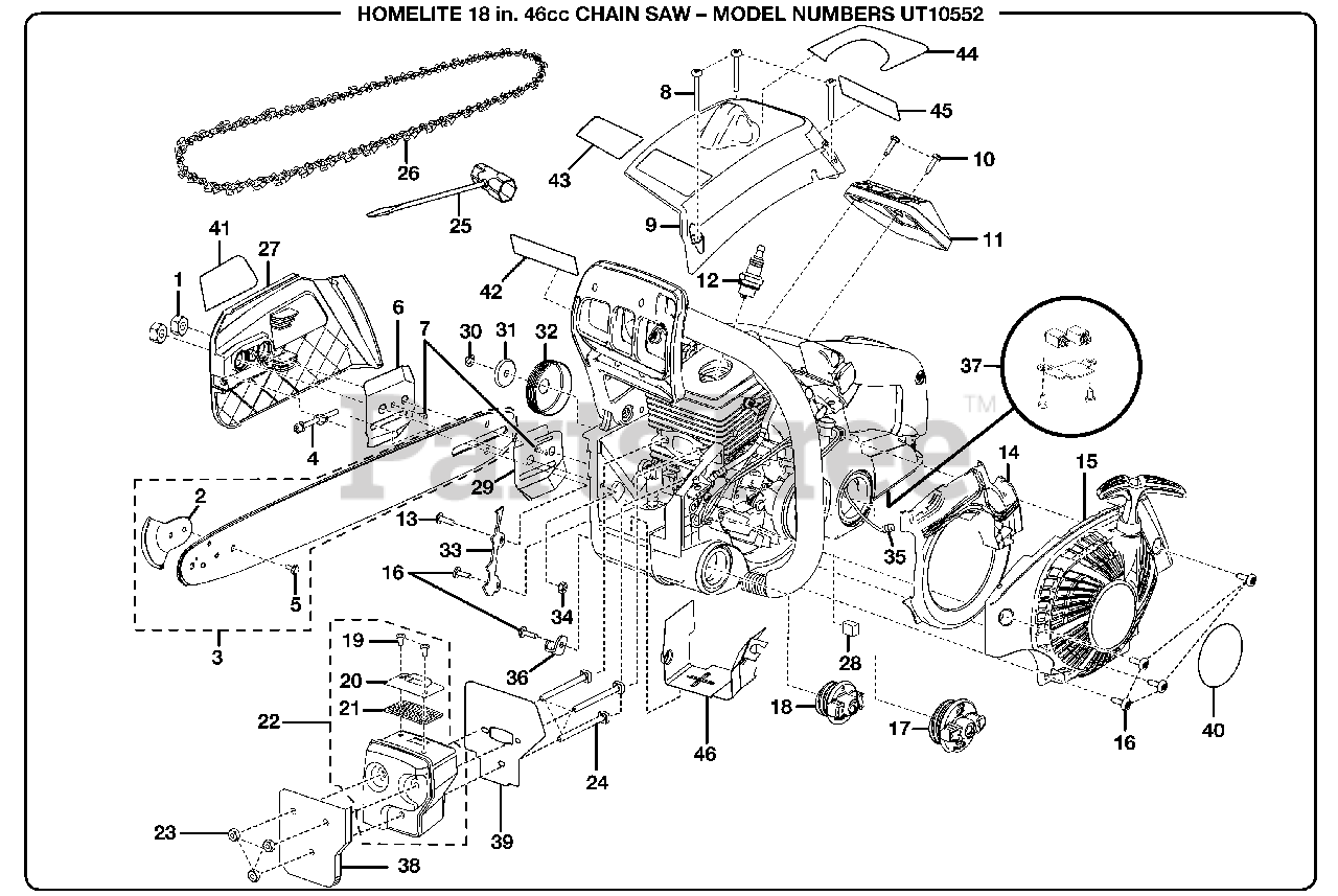
SUPER 2 (UT-10552) - Homelite Chainsaw General Assembly Parts Diagram

Chainsaw

General Assembly Parts Diagram

  • Title
1

Homelite 671076001

Guide Bar Nut (5/16-18)

$2.49

$

In Stock, only 3 left!

0

2

$

$

Not available

3

Homelite 308626001

Guide Bar (16 in.)

Note: Incl. Key Nos. 2 and 5

$

$

Not available

4

Homelite 308116002

Guide Bar Adjustment Assembly

$

$

Not available

5

Homelite 660640001

SAFE-T-TIP (Screw and Washer)

$

$

Not available

6

Homelite 638173001

Outer Guide Plate

$

$

Not available

7

Homelite 660619002

Screw (6-19 x 1/2 in. T.F.)

Note: Purchase locally

$

$

Currently unavailable

8

Homelite 660636001

Screw (10-16 x 1-1/2 in. Special)

Note: Purchase locally

$

$

Not available

9

Homelite 518238001

Top Cover

$

$

Not available

10

Homelite 660617001

Screw (8-16 x 16 mm Torx T.F.)
(Superseded to 82617)

Note: Purchase locally

$2.49

$

Usually ships in 3-7 days

0

11

Homelite 518306001

Air Filter Cover

$

$

Not available

12

Homelite 870174001

Spark Plug

Note: Champion RCJ6Y

$4.49

$

In Stock, Qty 20+

0

13

Homelite 660868001

Screw (10-24 x 5/8 in. Torx Pan Hd.)

Note: Purchase locally

$

$

Not available

14

$

$

Not available

15

Homelite 308383001

Starter Cover Assembly

$

$

Not available

16

Homelite 660632001

Screw (10-14 x 5/8 in. Torx Pan Hd.)
(Superseded to 82621)

Note: Purchase locally

$

$

Not available

17

Homelite 308362001

Fuel Cap Assembly

$

$

Not available

18

Homelite 308363001

Oil Cap Assembly

$

$

Not available

19

Homelite 660624001

Screw (8-32 x 5/16 in.)

Note: Purchase locally

$

$

Not available

$

$

Not available

21

Homelite 638147001

Spark Screen

$

$

Not available

22

Homelite 300940005

Muffler Assembly

Note: Incl. Key Nos. 19-21

$

$

Not available

23

Homelite 671079001

Lock Nut (10-32)

Note: Purchase locally

$1.49

$

In Stock, Qty 6

0

24

Homelite 660765001

Bolt (10-32 x 63.6 mm Square Hd.)

Note: Purchase locally

$

$

Not available

25

Homelite 308369001

Combination Wrench

$7.99

$

Usually ships in 3-7 days

0

$

$

Not available

27

Homelite 308364001

Chain Cover Assembly

$

$

Not available

28

Homelite 900844002

Pre-Filter

$

$

Not available

29

Homelite 638169001

Inner Guide Plate

$

$

Not available

30

Homelite 671103001

E-Ring
(Superseded to 08981)

$5.99

$

In Stock, only 1 left!

0

31

Homelite 631060001

Cupped Washer

$

$

Not available

32

Homelite 300958002

Sprocket Drum & Bearing Assembly

$

$

Not available

33

Homelite 638176001

Bumper Spike

$1.99

$

Usually ships in 3-7 days

0

34

Homelite 678744002

Lock Nut (10-24)

Note: Purchase locally

$2.49

$

Usually ships in 3-7 days

0

35

Homelite 300759003

Fuel Filter

$

$

Not available

36

Homelite 631035001

Chain Guard
(Superseded to 631035002)

$5.49

$

Usually ships in 3-7 days

0

37

Homelite 120640001

Tool Holder Assembly

$1.49

$

Usually ships in 3-7 days

0

38

Homelite 638041002

Heat Shield

$2.99

$

Usually ships in 3-7 days

0

39

Homelite 900977003

Muffler Gasket

$

$

Not available

40

Homelite 940718001

Starter Housing Decal

$

$

Not available

41

Homelite 940635002

Clutch Cover Label

$

$

Not available

42

Homelite 940634001

Chain Brake Label

$

$

Not available

43

Homelite 940661002

Warning Label

$

$

Not available

44

Homelite 940632001

Starting Instruction Decal

$

$

Not available

45

Homelite 940964002

Icon Warning Label

$

$

Not available

46

Homelite 638381001

Heat Shield

$

$

Not available

Homelite 580656001

Scabbard

Note: Not Shown

$13.99

$

Usually ships in 3-7 days

0

Homelite 983000736

Operator's Manual (961027002)

$

$

Not available

Homelite 983000736R

Repair Sheet

$

$

Currently unavailable

1

Homelite 671076001

Guide Bar Nut (5/16-18)

$2.49

$

In Stock, only 3 left!

0

2

$

$

Not available

3

Homelite 308626001

Guide Bar (16 in.)

Note: Incl. Key Nos. 2 and 5

$

$

Not available

4

Homelite 308116002

Guide Bar Adjustment Assembly

$

$

Not available

5

Homelite 660640001

SAFE-T-TIP (Screw and Washer)

$

$

Not available

6

Homelite 638173001

Outer Guide Plate

$

$

Not available

7

Homelite 660619002

Screw (6-19 x 1/2 in. T.F.)

Note: Purchase locally

$

$

Currently unavailable

8

Homelite 660636001

Screw (10-16 x 1-1/2 in. Special)

Note: Purchase locally

$

$

Not available

9

Homelite 518238001

Top Cover

$

$

Not available

10

Homelite 660617001

Screw (8-16 x 16 mm Torx T.F.)
(Superseded to 82617)

Note: Purchase locally

$2.49

$

Usually ships in 3-7 days

0

11

Homelite 518306001

Air Filter Cover

$

$

Not available

12

Homelite 870174001

Spark Plug

Note: Champion RCJ6Y

$4.49

$

In Stock, Qty 20+

0

13

Homelite 660868001

Screw (10-24 x 5/8 in. Torx Pan Hd.)

Note: Purchase locally

$

$

Not available

14

$

$

Not available

15

Homelite 308383001

Starter Cover Assembly

$

$

Not available

16

Homelite 660632001

Screw (10-14 x 5/8 in. Torx Pan Hd.)
(Superseded to 82621)

Note: Purchase locally

$

$

Not available

17

Homelite 308362001

Fuel Cap Assembly

$

$

Not available

18

Homelite 308363001

Oil Cap Assembly

$

$

Not available

19

Homelite 660624001

Screw (8-32 x 5/16 in.)

Note: Purchase locally

$

$

Not available

$

$

Not available

21

Homelite 638147001

Spark Screen

$

$

Not available

22

Homelite 300940005

Muffler Assembly

Note: Incl. Key Nos. 19-21

$

$

Not available

23

Homelite 671079001

Lock Nut (10-32)

Note: Purchase locally

$1.49

$

In Stock, Qty 6

0

24

Homelite 660765001

Bolt (10-32 x 63.6 mm Square Hd.)

Note: Purchase locally

$

$

Not available

25

Homelite 308369001

Combination Wrench

$7.99

$

Usually ships in 3-7 days

0

$

$

Not available

27

Homelite 308364001

Chain Cover Assembly

$

$

Not available

28

Homelite 900844002

Pre-Filter

$

$

Not available

29

Homelite 638169001

Inner Guide Plate

$

$

Not available

30

Homelite 671103001

E-Ring
(Superseded to 08981)

$5.99

$

In Stock, only 1 left!

0

31

Homelite 631060001

Cupped Washer

$

$

Not available

32

Homelite 300958002

Sprocket Drum & Bearing Assembly

$

$

Not available

33

Homelite 638176001

Bumper Spike

$1.99

$

Usually ships in 3-7 days

0

34

Homelite 678744002

Lock Nut (10-24)

Note: Purchase locally

$2.49

$

Usually ships in 3-7 days

0

35

Homelite 300759003

Fuel Filter

$

$

Not available

36

Homelite 631035001

Chain Guard
(Superseded to 631035002)

$5.49

$

Usually ships in 3-7 days

0

37

Homelite 120640001

Tool Holder Assembly

$1.49

$

Usually ships in 3-7 days

0

38

Homelite 638041002

Heat Shield

$2.99

$

Usually ships in 3-7 days

0

39

Homelite 900977003

Muffler Gasket

$

$

Not available

40

Homelite 940718001

Starter Housing Decal

$

$

Not available

41

Homelite 940635002

Clutch Cover Label

$

$

Not available

42

Homelite 940634001

Chain Brake Label

$

$

Not available

43

Homelite 940661002

Warning Label

$

$

Not available

44

Homelite 940632001

Starting Instruction Decal

$

$

Not available

45

Homelite 940964002

Icon Warning Label

$

$

Not available

46

Homelite 638381001

Heat Shield

$

$

Not available

Homelite 580656001

Scabbard

Note: Not Shown

$13.99

$

Usually ships in 3-7 days

0

Homelite 983000736

Operator's Manual (961027002)

$

$

Not available

Homelite 983000736R

Repair Sheet

$

$

Currently unavailable