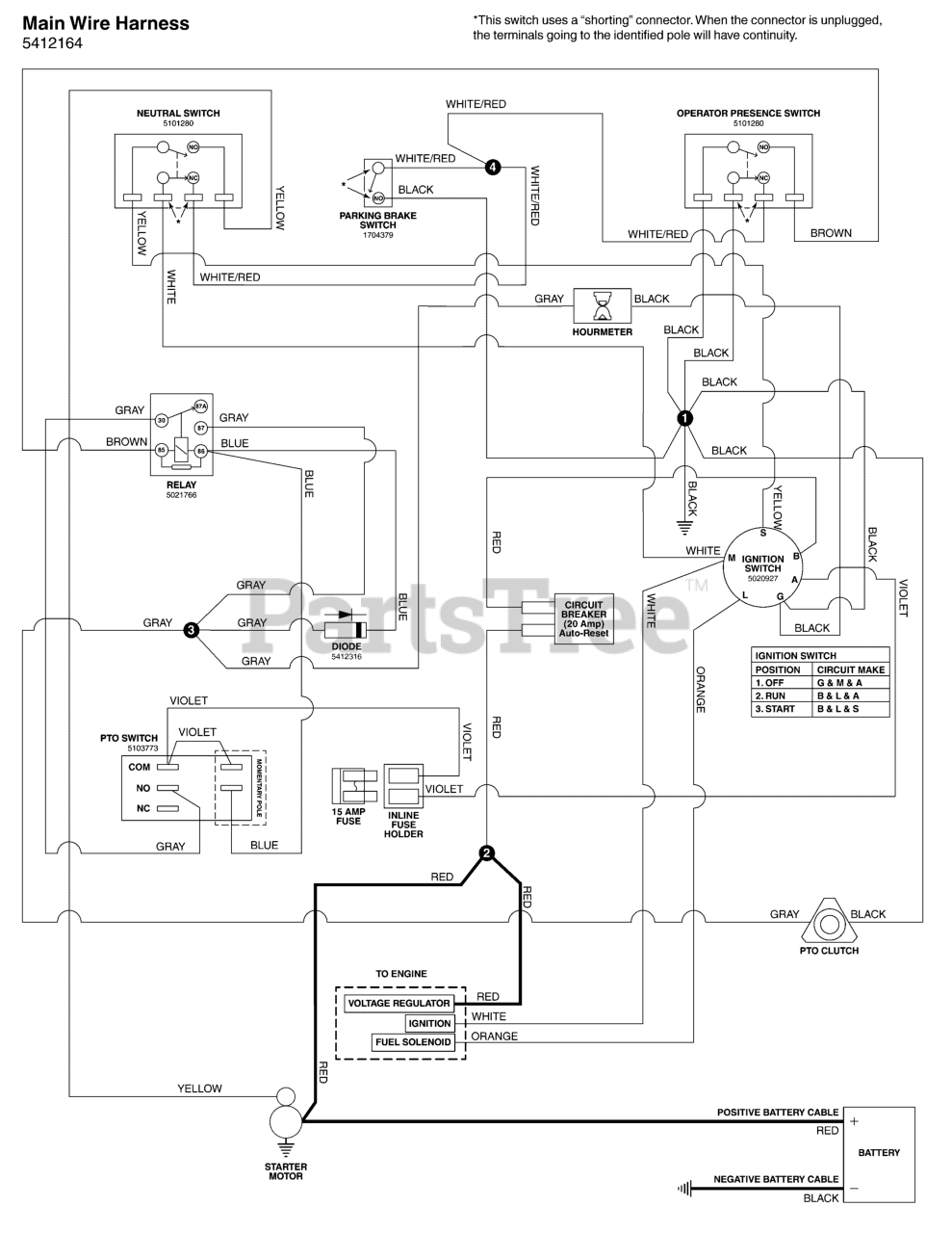
SW 35 (5901317) - Snapper Pro SW35 Series 48" Walk-Behind Mower, 21hp Kawasaki Electrical Schematic - Charging Circuit KAV S/N: 2016973573 & Below Parts Diagram

SW35 Series 48" Walk-Behind Mower, 21hp Kawasaki

Electrical Schematic - Charging Circuit KAV S/N: 2016973573 & Below Parts Diagram

  • Title
5412164

Snapper Pro 5412164

WIRE HARNESS, SW35/FW35 KAWI

$355.99

$

Usually ships in 2-12 days

0