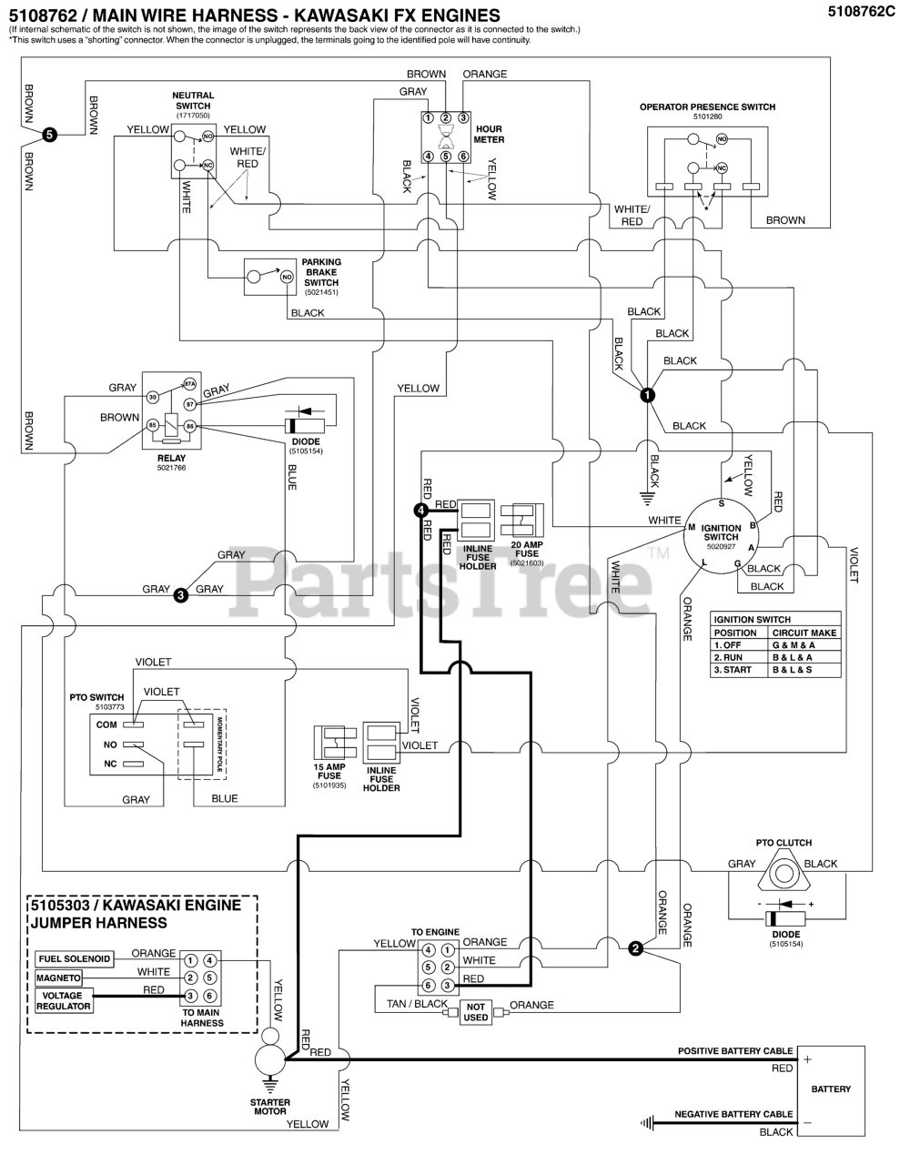
SW 45 (5901904) - Snapper Pro SW45 CC Series 61" Walk-Behind Mower, 21hp Kawasaki Electrical Schematic - Charging Circuit Parts Diagram

SW45 CC Series 61" Walk-Behind Mower, 21hp Kawasaki

Electrical Schematic - Charging Circuit Parts Diagram

  • Title
5108762

Snapper Pro 5108762

HARNESS, W45 WIRING W/ BRAKE SW
(Superseded to 5108762FS)

$197.99

$

Usually ships in 2-12 days

0

5105303

Snapper Pro 5105303

WIRE HARNESS, JUMPER, KAWI - LARGE HARNE
(Superseded to 5105303FS)

$19.99

$

Usually ships in 2-12 days

0