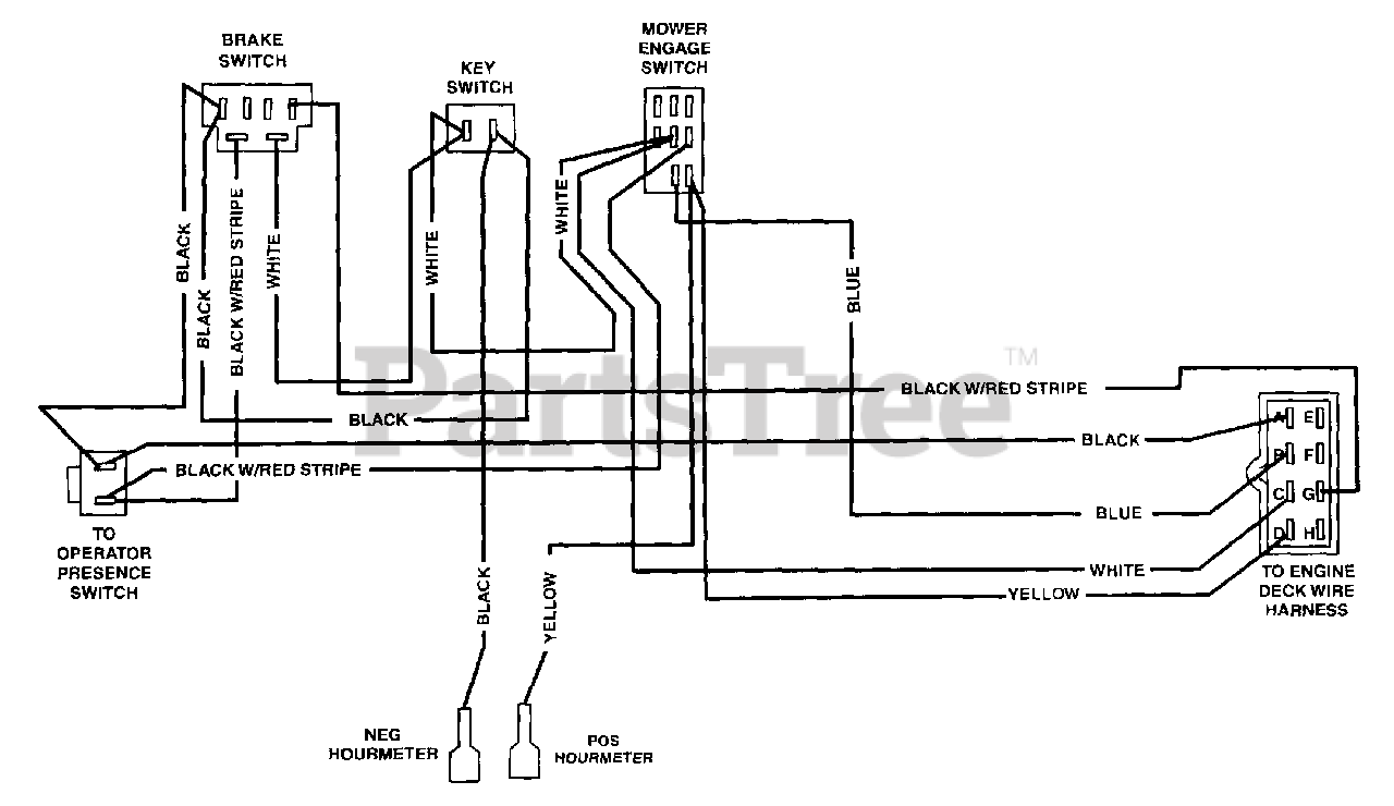
SWZU52-17KA - Scag Ultimate 52" Walk-Behind Mower, 17hp Kawasaki (SN: 5280001 - 5289999) Handle Wire Harness P/N 481865 Parts Diagram

Ultimate 52" Walk-Behind Mower, 17hp Kawasaki

Handle Wire Harness P/N 481865 Parts Diagram

  • Title