SZ 2454 (2691573-00) (17CRCACA007) - Snapper 54" Zero-Turn Mower, 24hp (2019) Schematics Group Parts Diagram

54" Zero-Turn Mower, 24hp

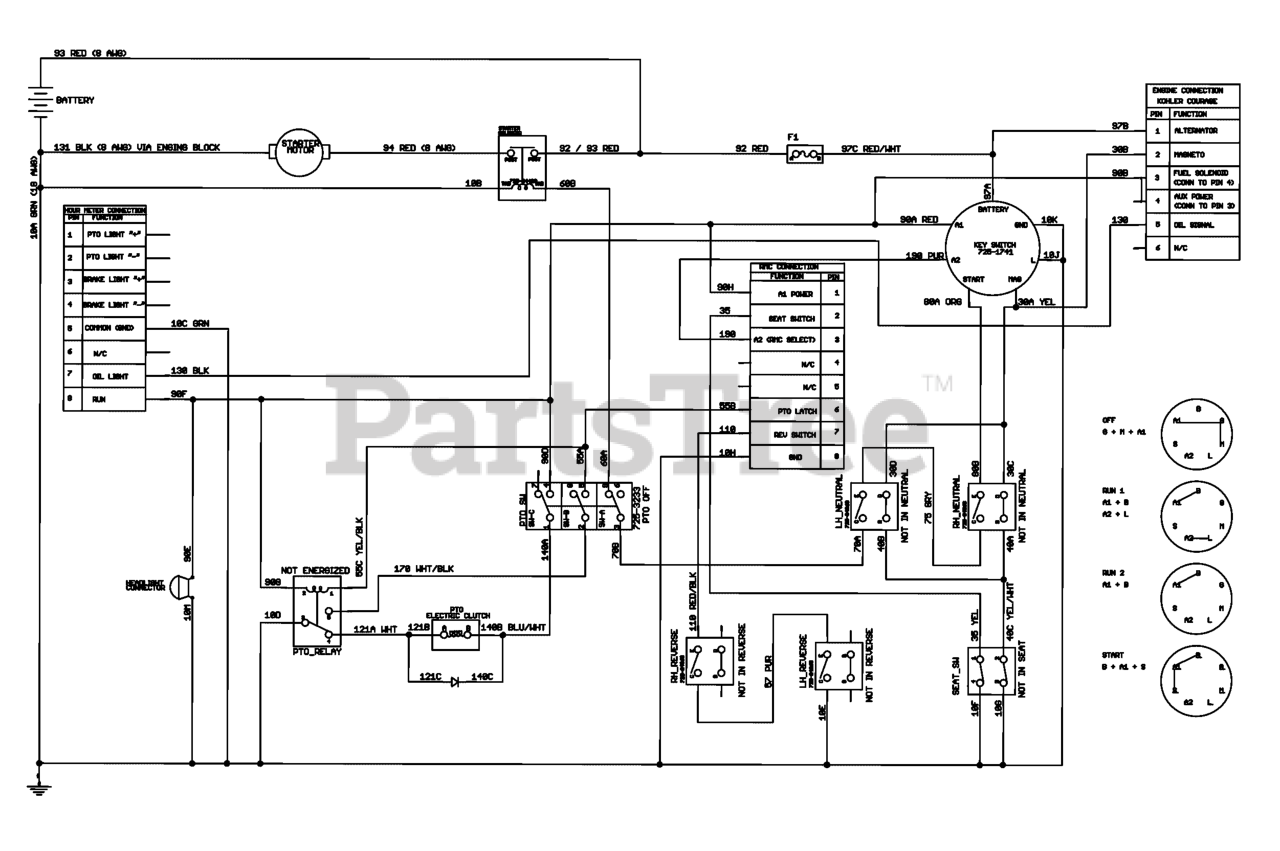
Schematics Group Parts Diagram

  • Title