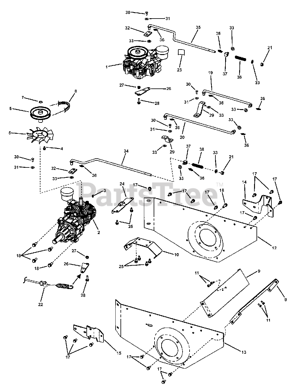
SZT 18426 BVE (85681) - Snapper 42" Zero-Turn Mower, 18hp FENDER & TRANSAXLE ASSEMBLY Parts Diagram

42" Zero-Turn Mower, 18hp

FENDER & TRANSAXLE ASSEMBLY Parts Diagram

  • Title
1

Snapper 7029128

TRANSAXLE, Hydro

Note: Eaton Model X778-005

$

$

Not available

2

Snapper 7029129

TRANSAXLE, Hydro w/o Manifold R.H.
(Superseded to 7029129YP)

Note: Eaton Model X778-011

$1034.99

$

Usually ships in 2-12 days

0

3

Snapper 7015894

KEY, #605 Woodruff
(Superseded to 7015894SM)

$3.99

$

In Stock, only 2 left!

0

4

Snapper 7091122

SCREW, 1/4-20 x 1/2" Hex Washer Self-Tap
(Superseded to 7091122SM)

Note: Was 90539

$3.99

$

In Stock, Qty 12

0

5

Snapper 7035337

FAN, 6" O.D., 10 Blade
(Superseded to 7035337YP)

$26.99

$

In Stock, only 3 left!

0

6

Snapper 7035336

PULLEY, Hydro Input
(Superseded to 7035336YP)

$62.99

$

In Stock, only 2 left!

0

7

Snapper 7091771

RING, RR3100-66 External Retaining

$3.49

$

In Stock, only 4 left!

0

8

Snapper 7042773

V-BELT, HA Sect. 42.5" effective length
(Superseded to 7042773YP)

Note: Hydro Drive

$31.99

$

Usually ships in 2-12 days

0

9

Snapper 7034915

BRACKET, Support, Fender
(Superseded to 7034915YP)

$40.99

$

Usually ships in 2-12 days

0

10

Snapper 7034916

BRACKET, Support, Hydro
(Superseded to 7034916YP)

$49.99

$

Usually ships in 2-12 days

0

11

Snapper 7091819

SCREW, 1/4-20 x 5/8" Hex Washer Self-Tap
(Superseded to 703054)

Note: Was 90362

$4.49

$

In Stock, Qty 20+

0

12

Snapper 7034909

FENDER, Rear Frame, Left Hand

$

$

Not available

13

Snapper 7034908

FENDER, Rear Frame, Right Hand
(Superseded to 7034908YP)

$196.99

$

Usually ships in 2-12 days

0

14

Snapper 7034917

BRACKET, Deck Support, Left Rear

Note: used in SZT18426BVE

$

$

Not available

15

Snapper 7035424

BRACKET, Deck Support, Right Rear

Note: used in SZT18426BVE

$

$

Not available

17

Snapper 7091541

SCREW, 5/16-18 x 3/4" Hex Washer Self-Tap
(Superseded to 703228)

Note: Was 90368

$4.49

$

In Stock, Qty 20+

0

18

Snapper 7090324

SCREW, 3/8-16 x 1" Hex Washer Self-tap
(Superseded to 704000)

$5.49

$

In Stock, Qty 13

0

19

Snapper 7073385

TRANSMISSION ROD, RH, Twin Stick
(Superseded to 7073385YP)

Note: return to neutral

$15.99

$

Usually ships in 2-12 days

0

20

Snapper 7073419

TRANSMISSION ROD, LH, Twin Stick
(Superseded to 7073419YP)

Note: return to neutral

$18.99

$

Usually ships in 2-12 days

0

21

Snapper 7091299

NUT, 3/8-16 Hex Nyloc
(Superseded to 703117)

$3.99

$

In Stock, Qty 20+

0

22

Snapper 7039485

CABLE, Hydro Release Valve
(Superseded to 7039485YP)

Note: Rear Frame Asy pg item 30

$

$

Not available

23

Snapper 7044767

DECAL, Hydro Reservoir

Note: see decal page

$

$

Currently unavailable

24

Snapper 7039484

BRACKET, Cable, Hydro Release Valve
(Superseded to 7039484YP)

$26.99

$

Usually ships in 2-12 days

0

25

Snapper 7090361

SCREW, 5/16-18 x 5/8" Hex Washer Self-Tap
(Superseded to 703949)

$3.99

$

Usually ships in 2-12 days

0

26

Snapper 7039483

BRACKET, Actuator, Hydro Release Valve
(Superseded to 7039483YP)

$29.99

$

Usually ships in 2-12 days

0

27

Snapper 7012114

BUSHING, Differential Link, Powdered Metal
(Superseded to 7012114SM)

$5.49

$

In Stock, Qty 5

0

28

Snapper 7091841

SCREW, 5/16-18 x 1" Hex Washer Self-Tap, GR 5
(Superseded to 7091841SM)

$3.49

$

Usually ships in 2-12 days

0

29

Snapper 7073182

ARM, Direction Control- Hydro Transaxle
(Superseded to 7073182YP)

$32.99

$

Usually ships in 2-12 days

0

30

Snapper 7091165

BOLT, 1/4-28 x 5/8" w/Nyloc Patch, GR 8
(Superseded to 7091165YP)

$2.99

$

Usually ships in 2-12 days

0

31

Snapper 7090746

WASHER, 1/4" Belleville
(Superseded to 7090746YP)

$4.49

$

Usually ships in 2-12 days

0

32

Snapper 7034914

ARM, Brake
(Superseded to 7034914YP)

$15.99

$

Usually ships in 2-12 days

0

33

Snapper 7090122

WASHER, 3/8" SAE Flat
(Superseded to 703878)

$3.99

$

In Stock, Qty 20+

0

34

Snapper 7073420

BRAKE ROD, RH (3/8-16 thread)
(Superseded to 7073420YP)

$17.99

$

Usually ships in 2-12 days

0

35

Snapper 7073046

BRAKE ROD, L. H. (3/8-16 thread)
(Superseded to 7073046YP)

$20.99

$

Usually ships in 2-12 days

0

36

Snapper 7091594

COTTER-PIN, 1/16" x 1.42" Self-Locking
(Superseded to 7091594SM)

Note: Was 24874

$2.99

$

In Stock, only 4 left!

0

37

Snapper 7024586

SWIVEL, Brake Link- PM
(Superseded to 7024586YP)

$

$

Not available

38

Snapper 7074511

SPRING, Brake Compression
(Superseded to 7074511SM)

$10.99

$

Usually ships in 2-12 days

0