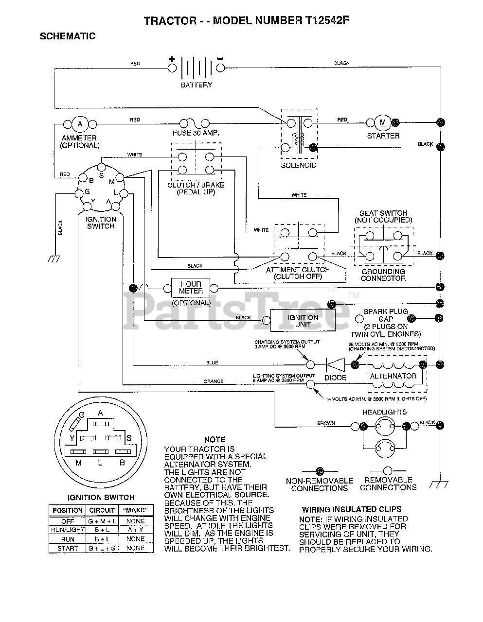
T 12542 F - Electrolux/AYP Lawn Tractor (1998) SCHEMATIC Parts Diagram

Lawn Tractor

SCHEMATIC Parts Diagram

  • Title

REFER TO IMAGE

$

$

Not available