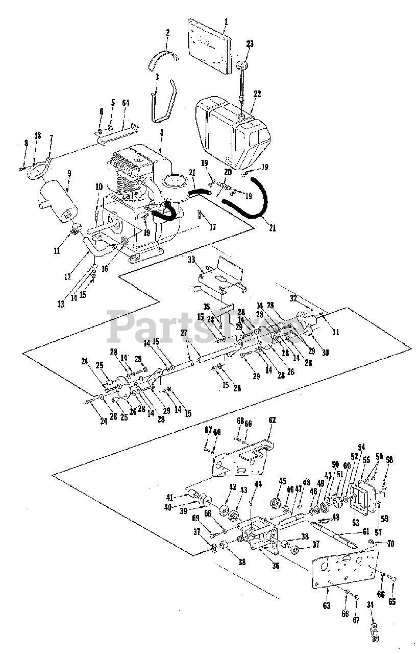
T-16 H (1690049) - Homelite Garden Tractor, 16hp Engine, Drive Shaft & Bevel Gear Box Group (3859I10) Parts Diagram

Garden Tractor, 16hp

Engine, Drive Shaft & Bevel Gear Box Group (3859I10) Parts Diagram

  • Title
1

Simplicity LM-01221-43

INSULATION, Fuel Tank

$

$

Not available

2

Simplicity LM-01727-44

STRAP, Fuel Tank (Upper)

$

$

Not available

3

Simplicity LM-16066-55

STRAP, Fuel Tank

$

$

Not available

4

ENGINE, T-10HP

$

$

Not available

4

ENGINE, T-16HP

$

$

Not available

5

Simplicity LM-09173-72

NUT, Hex, 5/16-18

$

$

Not available

6

Simplicity LM-09173-56

WASHER, Lock, 5/16

$

$

Not available

7

Simplicity LM-01718-80

STRAP, Muffler

$

$

Not available

8

Simplicity LM-09164-31

SCREW, Hex Head Cap, 5/16-18 x 1

$

$

Not available

9

Simplicity LM-16064-12

MUFFLER, Exhaust

$

$

Not available

10

Simplicity LM-09193-60

SCREW, Hex Head Cap, 3/8-16 x 1-1/2

$

$

Not available

11

Simplicity LM-01720-61

CLAMP, Muffler w/Fasteners

$

$

Not available

12

Simplicity LM-01721-95

ELBOW & NIPPLE ASSEMBLY

$

$

Not available

13

$

$

Not available

14

Simplicity LM-09169-65

WASHER, Lock, 3/8

$

$

Not available

15

Simplicity LM-09169-50

NUT, Hex Fin, 3/8-16

$

$

Not available

16

$

$

Not available

17

Simplicity LM-01724-55

SCREW, Rectangle Head, 3/8-16 x 1-5/16

$

$

Not available

18

Simplicity LM-09193-81

WASHER, Flat, 11/32"

$

$

Not available

19

$

$

Not available

20

Simplicity LM-01732-06

FILTER, Fuel

$

$

Not available

21

Simplicity LM-16081-93

HOSE, Fuel 11"

$

$

Not available

22

$

$

Not available

23

Simplicity LM-16027-24

CAP, Fuel Tank w/Guage

$

$

Not available

24

Simplicity LM-09219-69

SCREW, Hex Head Cap, 3/8-16 x 1-1/2

$

$

Not available

25

Simplicity LM-01723-29

SPACER, Drive Shaft

$

$

Not available

26

Simplicity LM-01730-26

COUPLING, Drive Shaft

$

$

Not available

27

Simplicity LM-16070-37

SHAFT ASSEMBLY, Drive

$

$

Not available

28

Simplicity LM-01574-24

WASHER, Special

$

$

Not available

29

Simplicity LM-09204-15

SCREW, Hex Head Cap, 3/8-16 x 1-1/4

$

$

Not available

30

Simplicity LM-01722-64

FLANGE, Drive Shaft

$

$

Not available

31

Simplicity LM-01574-27

KEY, Parallel, Special

$

$

Not available

32

Simplicity LM-16054-96

SETSCREW, Hex Socket, 3/8-24 x 5/16

$

$

Not available

33

Simplicity LM-16080-89

SUPPORT ASSEMBLY, Fuel Tank

$

$

Not available

34

Simplicity LM-01748-93

CLIP, Spring (T-16S)

$

$

Not available

35

Simplicity LM-09248-56

SCREW, Hex Head Cap, 5/16-18 x 1/2

$

$

Not available

36

Simplicity LM-16062-07

HOUSING, Bevel Gear

$

$

Not available

37

$

$

Not available

38

Simplicity LM-01181-17

BEARING, Needle

$

$

Not available

$

$

Not available

40

Simplicity LM-01717-90

SHIM, Use as Required

$

$

Not available

$

$

Not available

42

$

$

Not available

43

Simplicity LM-01722-56

BEARING, Ball

$

$

Not available

44

$

$

Not available

45

Simplicity LM-01717-96

GEAR, Bevel Driven

$

$

Not available

46

Simplicity LM-01722-06

RING, Retaining

$

$

Not available

47

Simplicity LM-01739-66

SHAFT, Driven

$

$

Not available

$

$

Not available

$

$

Not available

50

Simplicity LM-01540-40

PLATE, Bearing Clamp

$

$

Not available

51

$

$

Not available

$

$

Not available

53

Simplicity LM-01542-81

SCREW, Hex Head Cap, 5/16-18 x 3/4

$

$

Not available

$

$

Not available

55

Simplicity LM-01642-49

COVER, Housing

$

$

Not available

56

Simplicity LM-16040-97

SCREW, Cap w/Internal Tooth Washer, 1/4-20 x 5/8

$

$

Not available

57

Simplicity LM-09016-52

PLUG, Pipe, 1/4

$

$

Not available

58

Simplicity LM-09016-53

PLUG, Pipe, 3/8

$

$

Not available

59

Simplicity LM-09017-23

ELBOW, Street, 3/8 x 90 Degrees

$

$

Not available

60

Simplicity LM-01727-52

GEAR, Bevel Driver

$

$

Not available

61

Simplicity LM-01727-50

SHAFT, Driver

$

$

Not available

62

Simplicity LM-01738-59

PLATE, Side R.H. (T-16S)

$

$

Not available

62

Simplicity LM-16066-09

PLATE, Side, R.H. (T-10)

$

$

Not available

62

Simplicity LM-01660-49

PLATE, Side, R.H. (T-16H)

$

$

Not available

63

Simplicity LM-01740-32

PLATE, Side, L.H. (T-10, T-16S)

$

$

Not available

63

Simplicity LM-01740-33

PLATE, Side, L.H. (T-16H)

$

$

Not available

64

Simplicity LM-01769-31

BRACKET, Voltage Regulator

$

$

Not available

65

Simplicity LM-09206-77

SCREW, Hex Head Cap, 7/16-14 x 1-1/4 (T-10)

$

$

Not available

66

Simplicity LM-09181-99

WASHER, Lock (T-10)

$

$

Not available

66

Simplicity LM-09181-99

WASHER, Lock (T-16S)

$

$

Not available

66

Simplicity LM-09181-99

WASHER, Lock (T-16H)

$

$

Not available

67

Simplicity LM-09206-76

SCREW, Hex Head Cap, 7/16-14 x 1 (T-10, T-16H)

$

$

Not available

67

Simplicity LM-09206-76

SCREW, Hex Head Cap (T-16S)

$

$

Not available

68

Simplicity LM-09206-77

SCREW, Hex Head Cap (T-16S)

$

$

Not available

68

Simplicity LM-09206-77

SCREW, Hex Head Cap (T-16H)

$

$

Not available

69

Simplicity LM-09166-08

SCREW, Hex Head Cap

$

$

Not available

70

Simplicity LM-09182-13

NUT, Hex, 7/16-14 (T-16H)

$

$

Not available