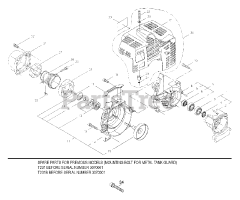
T 231 B - Shindaiwa String Trimmer Parts & Diagrams Parts Lists & Diagrams

String Trimmer