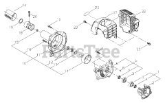
T 242 X - Shindaiwa String Trimmer (Original Version) Parts & Diagrams Parts Lists & Diagrams

String Trimmer