TP-2000 - Echo Trash Pump Ignition, Stop Switch Parts Diagram

Trash Pump

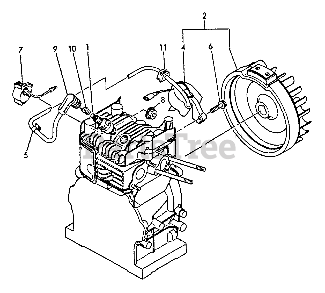
Ignition, Stop Switch Parts Diagram

  • Title
1

Echo Y16023278010

SPARK PLUG

$13.99

$

Usually ships in 2-4 days

0

2

Echo Y16064178060

FLYWHEEL
(Superseded to Discontinued)

$

$

Not available

4

Echo Y16061178510

COIL, IGNITION
(Superseded to Discontinued)

$

$

Not available

5

Echo Y16071078700

CLAMP
(Superseded to Discontinued)

$

$

Not available

6

Echo Y26476060252

BOLT - 6×30
(Superseded to Discontinued)

$

$

Not available

7

Echo Y16061172250

SWITCH, STOP

$

$

Currently unavailable

8

Echo Y26366080002

U-NUT M8
(Superseded to Discontinued)

$

$

Not available

9

Echo Y16070078040

CAP, PLUG
(Superseded to Discontinued)

$

$

Not available

10

Echo Y16070078050

TERMINAL, SPARK PLUG CAP
(Superseded to Discontinued)

$

$

Not available

11

Echo Y16070078720

GROMMET
(Superseded to Discontinued)

$

$

Not available