TP-3000 - Echo Trash Pump Breather Parts Diagram

Trash Pump

Breather Parts Diagram

  • Title
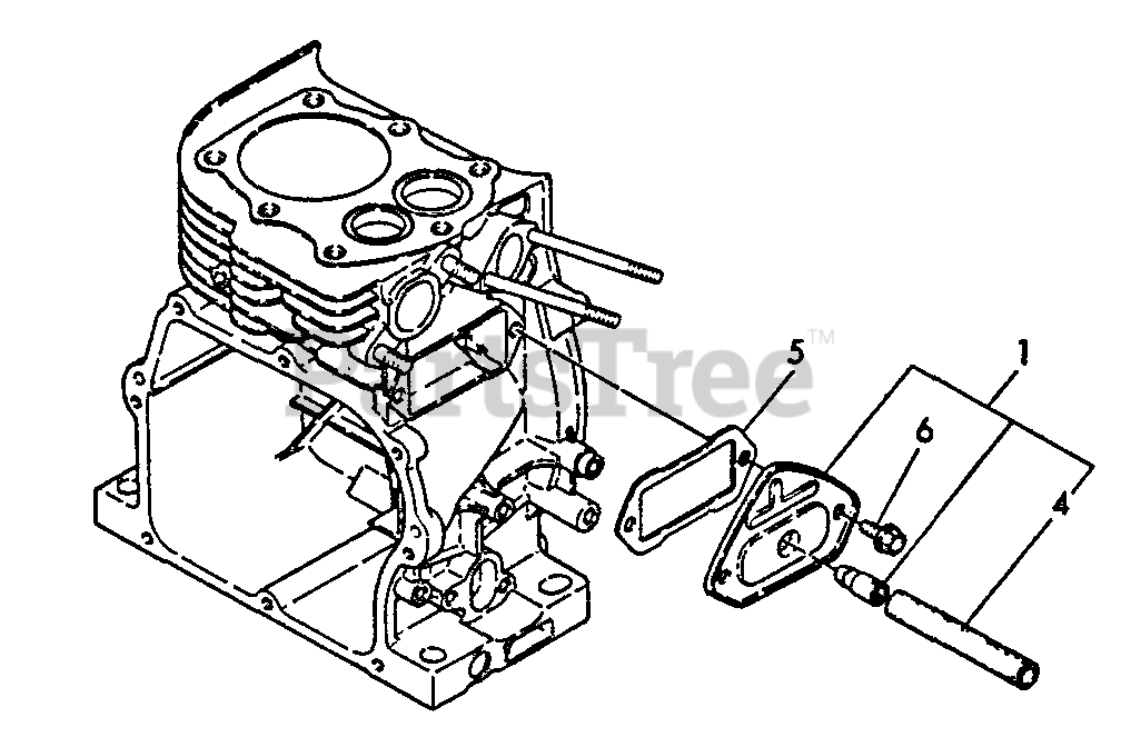
1

Echo Y16071003010

BREATHER ASSY
(Superseded to Discontinued)

$

$

Not available

4

Echo Y16071003180

PIPE, BREATHER
(Superseded to Discontinued)

$

$

Not available

5

Echo Y16071003070

GASKET
(Superseded to Discontinued)

$

$

Not available

6

Echo Y26476060142

BOLT - 6×8 -- PLATED
(Superseded to Discontinued)

$

$

Not available