TR 430 (960910018-04) - Husqvarna Rear-Tine Tiller (2013-12) TRANSMISSION Parts Diagram

Rear-Tine Tiller

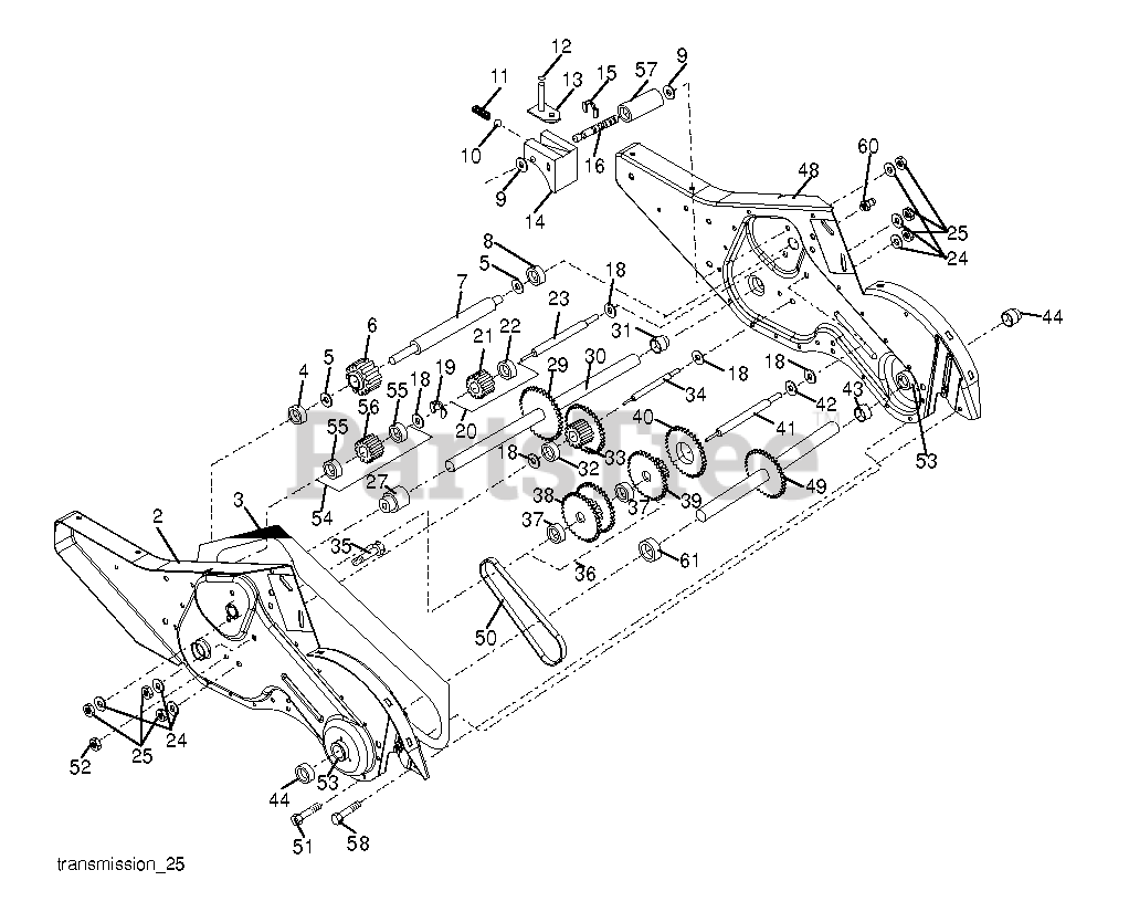
TRANSMISSION Parts Diagram

  • Title
--

Husqvarna 585923801

TRANSMISSION ASM 17/19 DRT.14
(Superseded to 532181104)

$

$

Not available

2

Husqvarna 532188220

GEARCASE.ASM.DRT.LH.

$157.99

$

Usually ships in 3-10 days

0

3

Husqvarna 532431022

GASKET.GEARCASE.CRT/DRT.TILLER

$22.99

$

In Stock, Qty 15

0

4

Husqvarna 532005020

NEEDLE BRNG LT

$20.99

$

In Stock, Qty 20+

0

5

Husqvarna 532001370

THRUST WASHER

$5.99

$

In Stock, Qty 20+

0

6

Husqvarna 586196201

PINION INPUT DRT TILLER

$

$

Not available

7

Husqvarna 532161518

SHAFT.INPUT.D.9TEETH

$

$

Not available

$13.99

$

In Stock, Qty 20+

0

9

Husqvarna 532154467

WASHER, SEAL (2 2)

$3.99

$

In Stock, Qty 15

0

10

Husqvarna 532007392

BALL, STEEL
(Superseded to 532100482)

$5.99

$

In Stock, Qty 14

0

11

Husqvarna 532100371

SPRING-SHIFT CRT

$6.99

$

In Stock, Qty 9

0

12

$4.99

$

In Stock, Qty 14

0

13

Husqvarna 532142145

BRACKET ASM.SHIFT.CRT

$

$

Not available

14

Husqvarna 532008353

SHIFT FORK TI

$28.99

$

In Stock, Qty 9

0

15

$

$

Not available

16

Husqvarna 532161516

SHAFT.SHIFT.DRT

$9.49

$

In Stock, only 2 left!

0

$4.99

$

In Stock, Qty 20+

0

19

$5.99

$

In Stock, Qty 11

0

20

Husqvarna 532102114

GEAR ASSY CRT

$

$

Not available

21

Husqvarna 532102115

GEAR-REV IDLR CRT

$28.99

$

Usually ships in 3-10 days

0

22

Husqvarna 532006803

NEEDLE BEARING TI

$11.99

$

In Stock, Qty 17

0

23

Husqvarna 532161527

SHAFT.IDLER.REVERSE.CRT

$

$

Not available

24

Husqvarna 810040700

LOCKWASHER
(Superseded to 596238901)

$3.49

$

In Stock, only 1 left!

0

25

Husqvarna 873610700

NUT.ASF.HEX.7/16

$6.99

$

In Stock, Qty 20+

0

27

Husqvarna 532431219

BEARING.GROUND.DRIVE

$

$

Not available

29

$11.99

$

In Stock, Qty 7

0

30

Husqvarna 532150737

GROUND SHAFT ASS'Y

$

$

Not available

31

Husqvarna 532143008

BEARING, SHAFT RH CRT

$

$

Not available

32

$6.99

$

In Stock, only 1 left!

0

33

Husqvarna 532102121

SPRCKT 8 GEAR CRT

$

$

Not available

34

Husqvarna 532102112

SHAFT.SECONDARY.REDUCTION.CRT

$39.99

$

Usually ships in 3-10 days

0

35

Husqvarna 532102101

SCRW WHIZ LOK CRT

$3.49

$

Usually ships in 3-10 days

0

36

Husqvarna 532161524

GEAR & SPROCKET.ASM.WBEARIN

$170.99

$

In Stock, only 1 left!

0

37

Husqvarna 532100413

BEARING.NEEDLE.CRT
(Superseded to 585695501)

$22.99

$

In Stock, only 1 left!

0

38

Husqvarna 532161525

ASM.GEAR & SPROCKET
(Superseded to 532161524)

$170.99

$

In Stock, only 1 left!

0

39

Husqvarna 532161526

GEAR.CLUSTER.DRT.TILLER

$

$

Not available

40

$51.99

$

Usually ships in 3-10 days

0

41

Husqvarna 532161523

SHAFT.REDUCTION.FIRST.DRT

$

$

Not available

42

Husqvarna 532004220

BRNG RACE T

$

$

Not available

43

$28.99

$

Usually ships in 3-10 days

0

44

Husqvarna 532155236

SEAL ASM, OIL

$6.99

$

In Stock, Qty 20+

0

48

Husqvarna 532188235

GEARCASE.ASM.DRT.RH.
(Superseded to 532181104)

$

$

Not available

49

Husqvarna 532431485

SHAFT.ASM.TINE

$

$

Not available

50

Husqvarna 532106147

CHAIN.TILLER

$56.99

$

In Stock, Qty 8

0

51

Husqvarna 817720408

SCREW
(Superseded to 596437001)

$3.49

$

In Stock, only 3 left!

0

52

Husqvarna 873220500

NUT
(Superseded to 596436301)

$3.49

$

In Stock, only 3 left!

0

53

Husqvarna 532165140

KIT.BEARING.TILLER.

$

$

Not available

54

Husqvarna 532161528

GEAR.ASM.DRT.TILLER

$

$

Not available

55

Husqvarna 532003400

BEARING.NEEDLE
(Superseded to 580755701)

$9.49

$

In Stock, Qty 5

0

56

Husqvarna 532161529

GEAR.DRT.IDLER
(Superseded to 532161528)

$

$

Not available

57

Husqvarna 532165889

SPACER.SPLIT

$9.49

$

In Stock, only 2 left!

0

58

Husqvarna 532179520

BOLT SHOULDER 1/4-20 UNC X.875

$5.99

$

Usually ships in 3-10 days

0

60

Husqvarna 532183226

FITTING.GREASE.TAPERED

$5.99

$

In Stock, Qty 10

0

61

Husqvarna 532431015

SPACER.1.015X1.50X.650

$6.99

$

Usually ships in 3-10 days

0

--

Husqvarna 532006066

GREASE CARTRIDGE
(Superseded to 585517301)

$

$

Not available