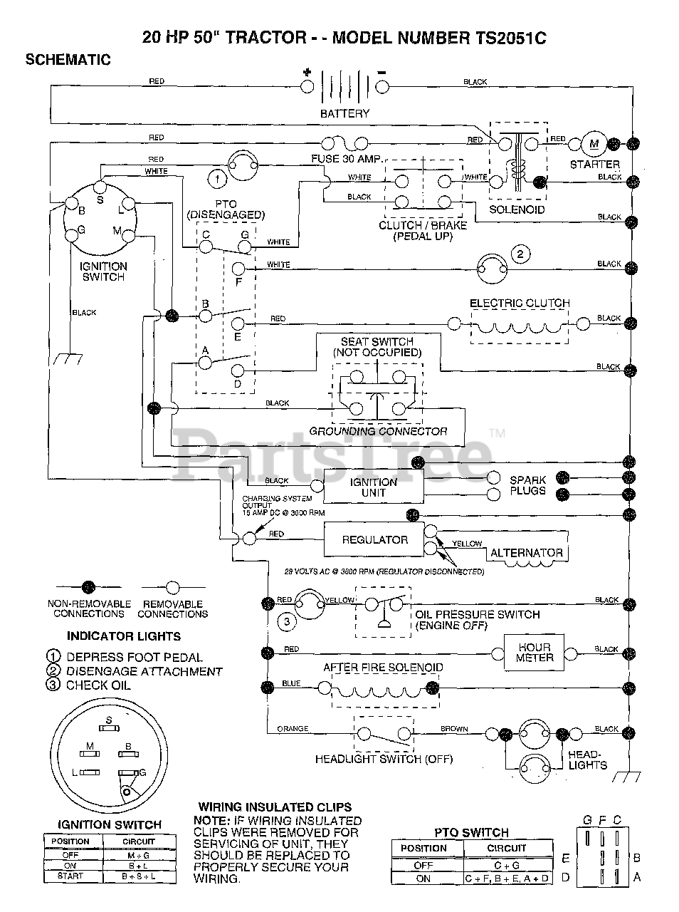
TS 2051 C - Electrolux/AYP Lawn Tractor (1994) 20HP 50"/SCHEMATIC Parts Diagram

Lawn Tractor

20HP 50"/SCHEMATIC Parts Diagram

  • Title

REFER TO IMAGE

$

$

Not available