 
          Green Trail Cruiser Utility Vehicle, 16hp Briggs & Stratton
$655.99
$
$
$
Not available 
$43.99
$
$
$
Not available 
$2.99
$
$
$
Not available 
$
$
Not available 
$
$
Not available 
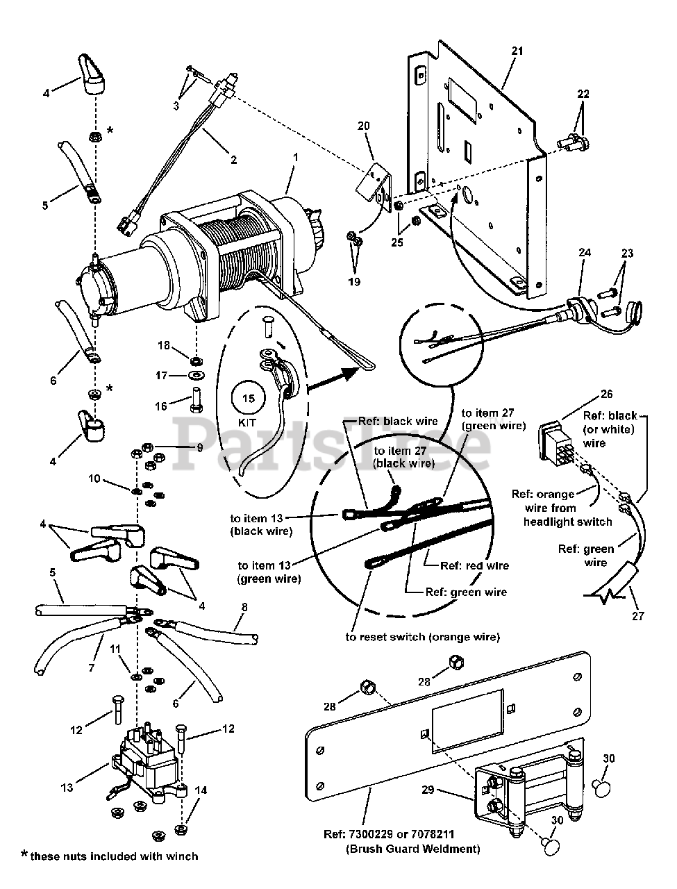
Note: Warner p/n 70246 (winch cable)
$26.99
$
$
$
Not available 
Note: Warner p/n 70247 (winch cable)
$26.99
$
$
$
Not available 
Note: Warner p/n 70243 (winch cable)
$16.99
$
$
$
Not available 
Note: Warner p/n 70244 (winch cable)
$16.99
$
$
$
Not available 
$3.49
$
$
$
Not available 
$3.49
$
$
$
Not available 
$3.49
$
$
$
Not available 
$3.99
$
$
$
Not available 
$330.99
$
$4.49
$
Note: Warner p/n 70242 (incl. hook, clevis pin, cotter pin & strap)
$41.99
$
$4.99
$
$4.49
$
$3.49
$
$3.99
$
Note: also shown on FRONT FRAME GROUP- Final Assembly (item 12)
$17.99
$