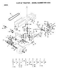
WE 1442 A - Weed Eater Lawn Tractor (1993) Parts & Diagrams Parts Lists & Diagrams

Lawn Tractor