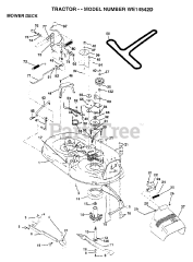
WE 14542 D - Weed Eater Lawn Tractor (1997) Parts & Diagrams Parts Lists & Diagrams

Lawn Tractor