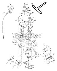
WET 1742ST B - Weed Eater Lawn Tractor (2004) Parts & Diagrams Parts Lists & Diagrams

Lawn Tractor