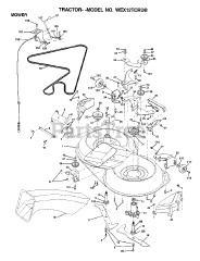
WEX 12TCRD B - Weed Eater Lawn Tractor Parts & Diagrams Parts Lists & Diagrams

Lawn Tractor