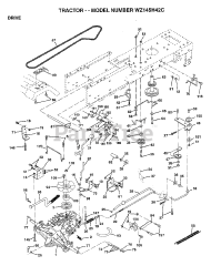
WZ 145H42 C - Electrolux/AYP Lawn Tractor Parts & Diagrams Parts Lists & Diagrams

Lawn Tractor