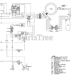
XP4000 (0059292) - Generac Portable Generator (SN: 8144387 - 9314246) (2014) Parts & Diagrams Parts Lists & Diagrams

Portable Generator

XP4000 (0059292) - Generac Portable Generator (SN: 8144387 - 9314246) (2014) > Parts Diagrams (6)