XP8000 (0056061) - Generac Portable Generator (SN: 5822566 - 6264278) (2011) Schematic - Diagram (OG9561) Parts Diagram

Portable Generator

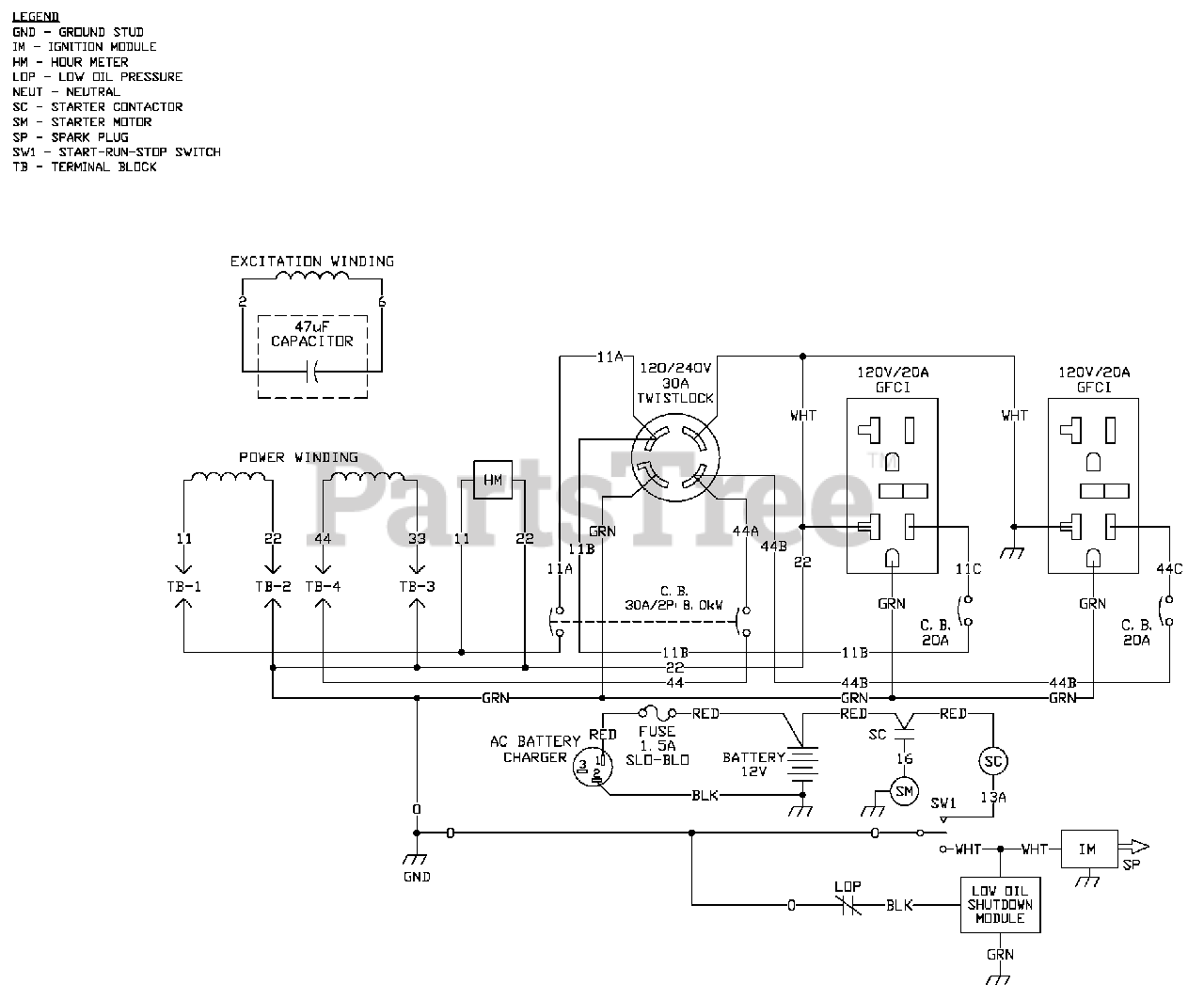
Schematic - Diagram (OG9561) Parts Diagram

  • Title

No Part List Information Available

$

$

Not available