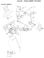
Y GT 18H46 B - Electrolux/AYP Garden Tractor (1998) Parts & Diagrams Parts Lists & Diagrams

Garden Tractor