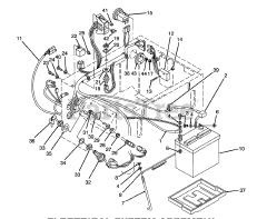
Y1-16OEE4 (616-Z) - Toro Zero-Turn Mower, Drive Unit Only (SN: 020000001 - 029999999) (1992) Parts & Diagrams Parts Lists & Diagrams

Zero-Turn Mower, Drive Unit Only