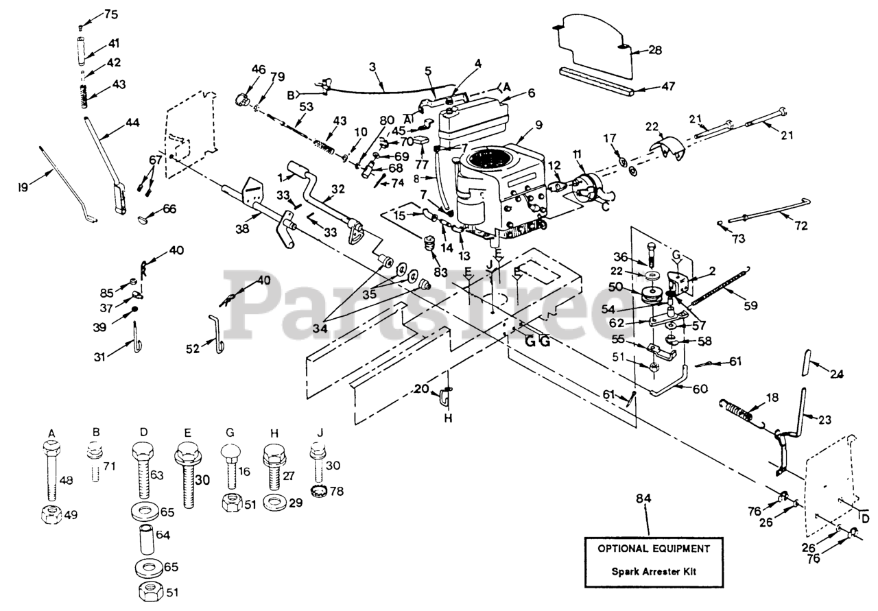
YT 120 (954000061) - Husqvarna Yard Tractor (1990-01) Power And Mechanical Controls Group Parts Diagram

Yard Tractor

Power And Mechanical Controls Group Parts Diagram

  • Title
1

Husqvarna 532124872

PEDAL COVER T
(Superseded to 510089501)

$6.99

$

In Stock, only 2 left!

0

2

$

$

Not available

3

Husqvarna 532121275

CONTROL.THROTTLE

$

$

Not available

4

Husqvarna 532124912

FUEL CAP LT
(Superseded to 532008504)

$

$

Not available

5

Husqvarna 532121281

SUPT TANK FUEL

$

$

Not available

6

Husqvarna 532121280

FUEL TANK NLA

$

$

Not available

7

Husqvarna 532123487

HOSE CLAMP

$3.99

$

In Stock, Qty 12

0

8

Husqvarna 863083730

HOSE T
(Superseded to 587044808)

$6.99

$

Usually ships in 3-10 days

0

9

Husqvarna 532124136

Engine Briggs & Stratton, Type No. 0412-01

$

$

Not available

$3.49

$

In Stock, only 4 left!

0

11

$

$

Not available

12

Husqvarna 532125593

GASKET ENGINE
(Superseded to 532272293)

$13.99

$

Usually ships in 3-10 days

0

13

Husqvarna 813310300

STREET ELBOW LT

$

$

Not available

14

Husqvarna 813280328

Std. Pipe Nipple 3/8-18 NPT x 3 1/2

$

$

Not available

15

Husqvarna 813200300

ELBOW
(Superseded to 532181654)

$20.99

$

In Stock, Qty 20+

0

16

Husqvarna 872140606

Bolt, Carriage 3/8-16 x 3/4

$

$

Not available

17

Husqvarna 819151616

WASHER
(Superseded to 596040101)

$3.49

$

In Stock, Qty 15

0

18

Husqvarna 532102727

SPRING.EXT.8.5"

$

$

Not available

19

Husqvarna 532121719

ROD ASS'Y LEVER

$

$

Not available

20

Husqvarna 532121218

KEEPER BELT ENGLH

$

$

Not available

$

$

Not available

22

Husqvarna 532121742

HEAT SHIELD

$

$

Not available

23

$

$

Not available

24

Husqvarna 532124917

GRIP-HANDLE T

$

$

Not available

25

Husqvarna 819131316

WASHER
(Superseded to 596565301)

$3.49

$

In Stock, Qty 20+

0

26

Husqvarna 819292016

Washer 29/32 x 1-1/4 x 16 Ga.

$9.49

$

Usually ships in 3-10 days

0

27

Husqvarna 817490612

SCREW
(Superseded to 874780612)

$5.99

$

In Stock, only 2 left!

0

28

Husqvarna 532126423

BAFFLE,VERTICAL NLA

$

$

Not available

29

Husqvarna 819131312

WASHER
(Superseded to 734117201)

$3.49

$

In Stock, Qty 20+

0

30

Husqvarna 817490620

SCREW
(Superseded to 874760620)

$5.99

$

Usually ships in 3-10 days

0

31

Husqvarna 532110448

LINK ADJ T

$

$

Not available

32

Husqvarna 532122424

SHAFT FOOT PEDAL

$

$

Not available

33

Husqvarna 532001572

PIN.ROLL.3/16 X 1"

$4.99

$

In Stock, only 2 left!

0

34

Husqvarna 532120183

BEARING.NYLON

$6.99

$

In Stock, only 4 left!

0

35

Husqvarna 819211616

WASHER LT
(Superseded to 596933401)

$3.49

$

In Stock, Qty 15

0

$

$

Not available

37

Husqvarna 532110447

TRUNNION T
(Superseded to 532132793)

$

$

Not available

38

$

$

Not available

39

Husqvarna 873360700

NUT **
(Superseded to 873610700)

$6.99

$

In Stock, Qty 20+

0

40

Husqvarna 532124670

RETAINER-SPRNG RB

$

$

Not available

$

$

Not available

42

Husqvarna 532122364

PLUNGER BUT KIT
(Superseded to 532125925)

$

$

Not available

43

Husqvarna 532124874

SPRING**
(Superseded to 532002876)

$3.49

$

Usually ships in 3-10 days

0

44

Husqvarna 532121718

LEVER LIFT

Note: (Inc. Key No. 19)

$

$

Not available

45

Husqvarna 532104799

BRACE-TANK LT

$

$

Not available

46

Husqvarna 532121891

HDLE ADJ LIFT

$

$

Not available

47

Husqvarna 532104915

FOAM-STRIP LT
(Superseded to 532105037)

$

$

Not available

48

Husqvarna 874780512

BOLT.FIN.HEX.5/16-18X3/4
(Superseded to 539976934)

$4.99

$

In Stock, Qty 20+

0

49

Husqvarna 873680500

LOCKNUT
(Superseded to 873690500)

$

$

Not available

50

Husqvarna 532123766

IDLER PULLEY
(Superseded to 532139245)

$39.99

$

In Stock, Qty 20+

0

51

$

$

Not available

52

Husqvarna 532110029

LIFT LINK LT

$

$

Not available

53

Husqvarna 532110729

ROD LIFT LT

$

$

Not available

54

Husqvarna 532105706

BEARING LT (2 2)

$6.99

$

In Stock, Qty 14

0

55

Husqvarna 532123205

RETAIN BELT
(Superseded to 531151801)

$4.99

$

In Stock, only 2 left!

0

57

$

$

Not available

58

$

$

Not available

59

Husqvarna 532105709

SPRING, RETURN LT

$13.99

$

In Stock, Qty 20+

0

60

Husqvarna 532105710

LINK, CLUTCH LT
(Superseded to 532199652)

$11.99

$

Usually ships in 3-10 days

0

61

Husqvarna 876020412

COTTER PIN
(Superseded to 596029501)

$3.49

$

In Stock, only 2 left!

0

62

$

$

Not available

63

Husqvarna 874760624

BOLT
(Superseded to 874930624)

$9.49

$

In Stock, Qty 6

0

64

Husqvarna 532108056

BUSHING YT

$

$

Not available

65

Husqvarna 819121612

Washer 3/8 x 1 x 12 Ga.

$

$

Not available

66

$

$

Not available

$

$

Not available

68

Husqvarna 532110810

TRUNION LT

$

$

Not available

69

Husqvarna 819151216

Washer 15/32 x 3/4 x 16 Ga.

$

$

Not available

70

$

$

Not available

71

Husqvarna 817720410

SCREW LT
(Superseded to 596582501)

$3.49

$

Usually ships in 3-10 days

0

72

Husqvarna 532125637

ROD BRAKE PARK
(Superseded to 532133261)

$

$

Not available

73

Husqvarna 532071673

PLUNGER CAP

$5.99

$

In Stock, only 2 left!

0

74

Husqvarna 876020308

COTTER PIN
(Superseded to 596917601)

$3.49

$

Usually ships in 3-10 days

0

75

Husqvarna 532124526

PLUNGER BUT KIT
(Superseded to 532125925)

$

$

Not available

$3.49

$

In Stock, only 2 left!

0

77

Husqvarna 532006431

PAD-SPACER T

$

$

Not available

78

Husqvarna 811050600

LOCKWASHER
(Superseded to 539990118)

$3.99

$

In Stock, Qty 20+

0

79

Husqvarna 873350600

NUT
(Superseded to 873220600)

$5.99

$

In Stock, only 2 left!

0

$

$

Not available

$

$

Not available

84

Husqvarna 532121851

SPARK ARREST

$

$

Not available

85

Husqvarna 873710700

NUT LOCK YTH
(Superseded to 873610700)

$6.99

$

In Stock, Qty 20+

0