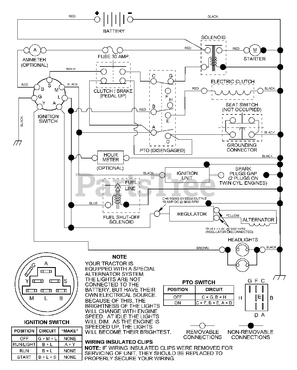
YT 180 (954140009-A) - Husqvarna Yard Tractor (1997-01) Schematic Parts Diagram

Yard Tractor

Schematic Parts Diagram

  • Title