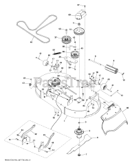
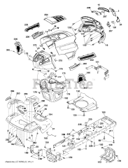
YT 42 DXLS (960430221-00) - Husqvarna 42" Yard Tractor (2016-01) Parts & Diagrams Parts Lists & Diagrams

42" Yard Tractor