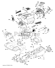
YT 48 DXLS (960430282-00) - Husqvarna 48" Yard Tractor (2017-11) Parts & Diagrams Parts Lists & Diagrams

48" Yard Tractor