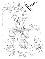
YTH 130 (954170026-L) - Husqvarna Yard Tractor (2001-02) Parts & Diagrams Parts Lists & Diagrams

Yard Tractor