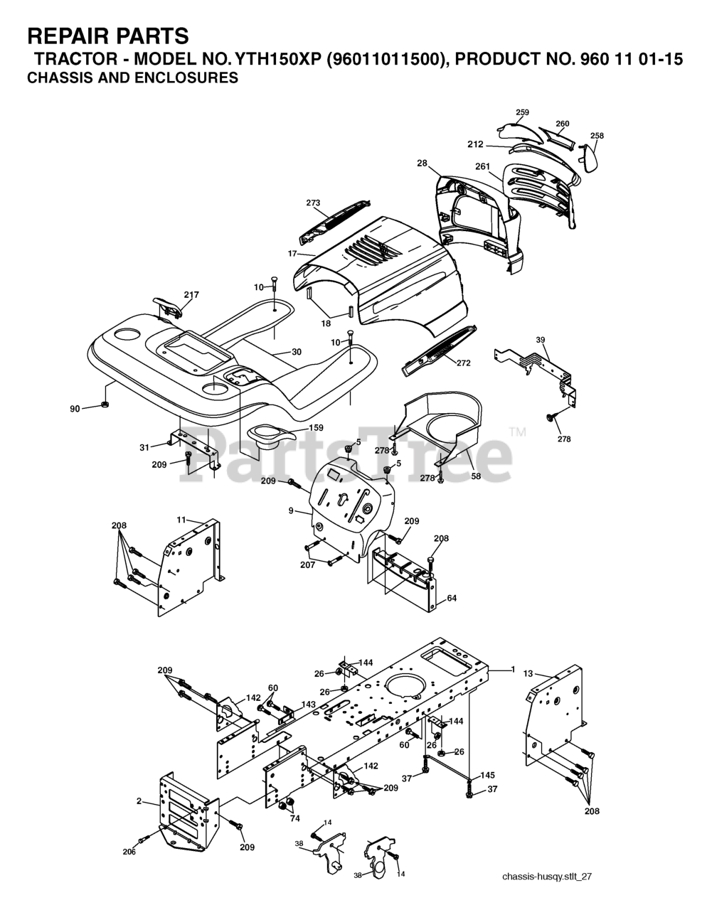
YTH 150 XP (960110115-00) - Husqvarna Yard Tractor (2006-01) CHASSIS & ENCLOSURES Parts Diagram

Yard Tractor

CHASSIS & ENCLOSURES Parts Diagram

  • Title
278

Husqvarna 532191611

SCREW
(Superseded to 532416358)

$

$

Not available

$

$

Not available

18

Husqvarna 532184921

BUMPER.HOOD.LARGE.1.75"

$5.99

$

In Stock, Qty 9

0

11

Husqvarna 532174996

PANEL.DASH.LH.LTX

$

$

Not available

$

$

Currently unavailable

30

Husqvarna 532194806

FENDER
(Superseded to 532192814)

$

$

Not available

26

Husqvarna 873800600

NUT
(Superseded to 873680600)

$

$

Not available

37

Husqvarna 817490508

Screw 5/16-18 x 1/2 Hex, Self Tapping 5/16-18 x 1/2
(Superseded to 539990858)

$

$

Not available

159

Husqvarna 532192404

CUPHOLDER
(Superseded to 532191120)

$

$

Not available

10

Husqvarna 872140608

BOLT D
(Superseded to 872110608)

$4.99

$

In Stock, only 3 left!

0

206

Husqvarna 532170165

SHOULDER BOLT 5/16-18TT

$4.99

$

In Stock, only 3 left!

0

142

Husqvarna 532175702

PLATE REINFORCEMENT

$10.99

$

Usually ships in 3-10 days

0

209

Husqvarna 817000612

SCREW, 3/8-16X3/4

$4.99

$

In Stock, Qty 20+

0

207

Husqvarna 817670508

SCREW, 5/16-18 X 1/2

$9.49

$

In Stock, only 2 left!

0

64

Husqvarna 532154798

DASH LOWER

$51.99

$

Usually ships in 3-10 days

0

9

Husqvarna 532193937

FENDER.STL.W/O CUPHLDR.ROS.422

$157.99

$

Usually ships in 3-10 days

0

273

Husqvarna 532188895

VENT.HOOD.LASER.

$

$

Not available

74

$

$

Not available

39

Husqvarna 532174714

BRACKET PIVOT LASER
(Superseded to 532407807)

$34.99

$

Usually ships in 3-10 days

0

13

Husqvarna 532172106

PANEL ASM, DASH RH

$

$

Not available

14

Husqvarna 817490608

SCREW LT
(Superseded to 596564001)

$3.49

$

Usually ships in 3-10 days

0

212

Husqvarna 532183548

INSERT.LENS.REFLECTIVE

$

$

Not available

90

Husqvarna 532124346

NUT.PUSH.3/16

$9.49

$

In Stock, only 1 left!

0

2

Husqvarna 532176554

DRAWBAR, 12GA

$45.99

$

Usually ships in 3-10 days

0

1

Husqvarna 532174619

CHASSIS STAMPING
(Superseded to 579841401)

$398.99

$

Usually ships in 3-10 days

0

38

Husqvarna 532175710

BRACKET.ASM.PIVOT.MOWER.REAR

$11.99

$

Usually ships in 3-10 days

0

60

Husqvarna 872140606

Bolt - Rd. Hd. Sq. Neckiage 3/8 16 x 3/4

$

$

Not available

258

Husqvarna 532185214

LENS LH
(Superseded to 532183379)

$13.99

$

In Stock, only 2 left!

0

31

Husqvarna 532139976

BRACKET.SUPPORT.FENDER

$20.99

$

Usually ships in 3-10 days

0

17

Husqvarna 532188893

VENT.HOOD.LASER.III
(Superseded to 588251301)

$47.99

$

Usually ships in 3-10 days

0

145

Husqvarna 532156524

ROD PIVOT CHASSIS/HOOD
(Superseded to 532409167)

$13.99

$

In Stock, only 2 left!

0

217

Husqvarna 532185436

CONSOLE FUEL WINDOW
(Superseded to 532179132)

$

$

Not available

208

Husqvarna 817670608

SCREW 3/8-16X1/2

$6.49

$

Usually ships in 3-10 days

0

$

$

Not available

5

Husqvarna 532155272

BUMPER.RUBBER.HOOD

$4.99

$

In Stock, only 3 left!

0

144

Husqvarna 532175582

BRKT, FOOT REST

$14.99

$

Usually ships in 3-10 days

0

259

Husqvarna 532185213

LENS LH
(Superseded to 532183378)

$13.99

$

Usually ships in 3-10 days

0

272

Husqvarna 532188896

VENT.HOOD.LASER.

$

$

Not available

260

Husqvarna 532185216

COVER.LENS.HUSQ.LASER
(Superseded to 532442202)

$13.99

$

In Stock, only 1 left!

0

143

Husqvarna 532186689

BRACKET, SWAYBAR CHASSIS

$6.99

$

In Stock, Qty 13

0