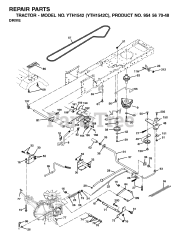
YTH 1542 (954567048) - Husqvarna 42" Yard Tractor (2001-04) Parts & Diagrams Parts Lists & Diagrams

42" Yard Tractor