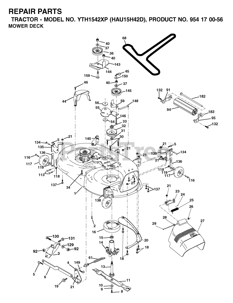
YTH 1542 XP (954170056-D) - Husqvarna 42" Yard Tractor (2003-01) MOWER DECK / CUTTING DECK Parts Diagram

42" Yard Tractor

MOWER DECK / CUTTING DECK Parts Diagram

  • Title
21

Husqvarna 873680500

LOCKNUT
(Superseded to 873690500)

$

$

Not available

129

Husqvarna 819131312

WASHER
(Superseded to 734117201)

$3.49

$

In Stock, Qty 20+

0

37

Husqvarna 819131316

WASHER
(Superseded to 596565301)

$3.49

$

In Stock, Qty 20+

0

113

Husqvarna 817060512

SCREW 5/16"
(Superseded to 532171877)

$5.99

$

In Stock, only 1 left!

0

134

Husqvarna 532156941

RIVET.PIN.HEAD.YELLOW.

$5.99

$

In Stock, only 1 left!

0

159

Husqvarna 872140614

BOLT
(Superseded to 596987501)

$4.99

$

In Stock, only 2 left!

0

27

Husqvarna 532171859

SHIELD DEFLECTOR
(Superseded to 532130968)

$43.99

$

In Stock, Qty 20+

0

132

Husqvarna 817060612

SCREW 3/8-16X3/4
(Superseded to 817000612)

$4.99

$

In Stock, Qty 20+

0

30

Husqvarna 532173984

SCREW, WASHER HEAD
(Superseded to 584953901)

$1.49

$

In Stock, Qty 20+

0

92

Husqvarna 873800600

NUT
(Superseded to 873680600)

$

$

Not available

94

Husqvarna 532132264

NOSE ROLLER

$37.99

$

In Stock, Qty 20+

0

55

Husqvarna 532155046

ARM IDLER 42" MOWER LT/YT
(Superseded to 531166601)

$22.99

$

In Stock, only 2 left!

0

117

Husqvarna 532139957

NEEDS DESCRIPTION

$

$

Currently unavailable

149

Husqvarna 532165898

SPRING.RETAINER.YELLOW.ZINC

$4.99

$

In Stock, Qty 8

0

95

Husqvarna 532180533

BRACKET ASM NOSEROLLER RH
(Superseded to 531150601)

$5.99

$

In Stock, only 2 left!

0

143

Husqvarna 532157109

BRACKET, ARM IDLER
(Superseded to 529844301)

$9.49

$

In Stock, Qty 5

0

19

Husqvarna 532132827

BOLT SHD 5/16-18

$

$

Not available

137

Husqvarna 872110505

BOLT.CARR.5/16-18X5/8.SHORT
(Superseded to 596039401)

$2.49

$

In Stock, Qty 20+

0

25

Husqvarna 532123713

SPRING TORSION

$7.99

$

In Stock, Qty 15

0

14

Husqvarna 532128774

HOUSING.MANDREL.VENTED (MACHD)
(Superseded to 529910001)

$51.99

$

Usually ships in 3-10 days

0

$

$

Not available

8

Husqvarna 532850857

BLADE BOLT

$4.99

$

In Stock, Qty 20+

0

33

Husqvarna 532178342

NUT, FLG TOPLOCK 9/16"
(Superseded to 596134801)

$2.49

$

In Stock, Qty 20+

0

18

Husqvarna 872140505

BOLT
(Superseded to 596136401)

$3.49

$

In Stock, Qty 20+

0

146

Husqvarna 532171977

BOLT, CARRIAGE IDLER BLACK
(Superseded to 532173443)

$6.99

$

Usually ships in 3-10 days

0

26

Husqvarna 532110452

NUT PUSH M

$3.49

$

In Stock, Qty 20+

0

116

Husqvarna 532137644

BOLT, SHOULDER
(Superseded to 596434404)

$2.49

$

In Stock, Qty 20+

0

139

Husqvarna 532178077

BRACKET ASM, WHEEL
(Superseded to 532159767)

$

$

Not available

11

Husqvarna 532138498

Blade Mower 42" High Perf.
(Superseded to 532138971)

$20.99

$

In Stock, Qty 20+

0

28

Husqvarna 819111016

Washer 11/32 x 5/8 x 16 Ga SD

$

$

Not available

145

Husqvarna 532173437

PULLEY.IDLER.FLAT.PLATED

$28.99

$

In Stock, only 1 left!

0

16

Husqvarna 532174493

STRIPPER.MANDREL.ROUND.BLACK
(Superseded to 531167701)

$10.99

$

In Stock, Qty 20+

0

32

Husqvarna 532173436

PULLEY MANDREL

$20.99

$

In Stock, Qty 20+

0

131

Husqvarna 872140608

BOLT D
(Superseded to 872110608)

$4.99

$

In Stock, only 2 left!

0

3

Husqvarna 532138017

BRKT ASM SWAY BAR
(Superseded to 531165401)

$20.99

$

In Stock, Qty 11

0

68

Husqvarna 532174883

V-BELT PRIMARY 42"

$51.99

$

In Stock, Qty 20+

0

144

Husqvarna 532173441

KEEPER BELT 42" CLUTCH

$7.99

$

In Stock, only 2 left!

0

91

Husqvarna 532180532

BRACKET ASM NOSEROLLER LH
(Superseded to 531151201)

$5.99

$

In Stock, Qty 9

0

36

Husqvarna 532173438

PULLEY.IDLER.FLAT
(Superseded to 597025001)

$28.99

$

In Stock, Qty 20+

0

- -

Husqvarna 532176050

DECK.ASM,SVC.42"HP.ELE.ADJ

$

$

Not available

1

Husqvarna 532182032

MOWER DECK ASSY. 42"
(Superseded to 583147401)

$433.99

$

Usually ships in 3-10 days

0

135

Husqvarna 532178074

BRACKET ASM, WHEEL
(Superseded to 532159765)

$

$

Not available

138

Husqvarna 532178075

BRACKET.ASM.WHL.GA.R.RH.42".GR
(Superseded to 532437046)

$

$

Not available

54

Husqvarna 532133943

HARDENED WASHER
(Superseded to 532178515)

$6.99

$

In Stock, only 4 left!

0

23

Husqvarna 532177563

BRKT, DEFL. MOWER
(Superseded to 529845901)

$5.99

$

In Stock, Qty 17

0

182

Husqvarna 532179126

ROD ROLLER NOSE STANDARD

$

$

Not available

46

Husqvarna 532137729

SCREW.1/4-20X5/8

$2.49

$

In Stock, Qty 20+

0

4

Husqvarna 532165460

BRACKET SWAY BAR 42" DECK

$13.99

$

Usually ships in 3-10 days

0

140

Husqvarna 532178076

BRACKET ASM, WHEEL
(Superseded to 532159768)

$

$

Not available

45

Husqvarna 532124788

RETAINER M
(Superseded to 532004497)

$4.99

$

In Stock, only 3 left!

0

10

Husqvarna 532140296

WASHER.BLADE

$6.99

$

In Stock, Qty 16

0

9

Husqvarna 810030600

LOCKWASHER
(Superseded to 539990118)

$3.99

$

In Stock, Qty 20+

0

183

Husqvarna 532163552

SPRING RETAINER
(Superseded to 532003146)

$3.49

$

In Stock, Qty 19

0

- -

Husqvarna 532130794

KIT.MANDREL.ASM.3.BOLT

$62.99

$

In Stock, Qty 12

0

40

$

$

Not available

31

Husqvarna 532129963

WASHER
(Superseded to 532187690)

$5.99

$

In Stock, Qty 20+

0

44

Husqvarna 532140088

GUARD MANDREL LH BLACK

$39.99

$

In Stock, only 2 left!

0

61

Husqvarna 532174882

SPRING EXT ELEC CLUTCH

$20.99

$

In Stock, only 2 left!

0

148

Husqvarna 532169022

IDLER RETURN SPRING

$4.99

$

In Stock, Qty 19

0

130

Husqvarna 874780616

BOLT
(Superseded to 596564401)

$4.99

$

In Stock, Qty 6

0

119

Husqvarna 819121414

WASHER.5/16.FLAT.STE.STD.
(Superseded to 596134901)

$3.49

$

In Stock, Qty 20+

0

6

Husqvarna 532178024

BAR SWAY DECK
(Superseded to 531149301)

$13.99

$

In Stock, only 2 left!

0

15

$14.99

$

In Stock, Qty 20+

0

118

Husqvarna 873930600

LOCKNUT
(Superseded to 873680600)

$

$

Not available

56

Husqvarna 532122052

SPACER RETAINER
(Superseded to 532165723)

$6.99

$

In Stock, Qty 5

0

24

Husqvarna 532105304

CAP-SLEEVE LT

$3.49

$

In Stock, Qty 16

0

5

Husqvarna 532124670

RETAINER-SPRNG RB

$

$

Not available

13

Husqvarna 532137645

SHAFT ASM VENT
(Superseded to 532137646)

$34.99

$

In Stock, Qty 12

0

59

Husqvarna 532173442

GUARD TUV IDLER
(Superseded to 531165901)

$5.99

$

In Stock, Qty 11

0

150

Husqvarna 819091216

WASHER PM
(Superseded to 596204201)

$3.49

$

In Stock, only 3 left!

0

2

Husqvarna 872140506

RP BOLT 5/16-18 X3/4 ZN/YEL GR
(Superseded to 595901601)

$3.49

$

In Stock, Qty 20+

0

29

Husqvarna 532131491

ROD.HINGE
(Superseded to 595297001)

$6.99

$

In Stock, Qty 14

0

20

Husqvarna 532159770

BAFFLE.VORTEX
(Superseded to 531167001)

$17.99

$

In Stock, Qty 20+

0

136

Husqvarna 532155986

BAR.ADJUST.WHEEL.ANTI.SCALP.BL

$26.99

$

In Stock, only 2 left!

0