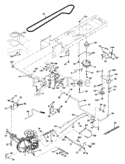
YTH 1542 XP - Husqvarna 42" Yard Tractor (2003-10) Parts & Diagrams Parts Lists & Diagrams

42" Yard Tractor