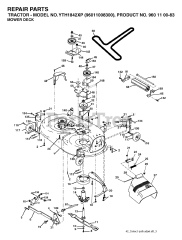
YTH 1842 XP (960110083-00) - Husqvarna 42" Yard Tractor (2005-01) Parts & Diagrams Parts Lists & Diagrams

42" Yard Tractor