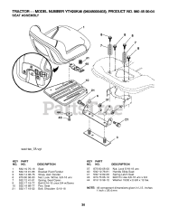
YTH 20K46 - Husqvarna 46" Yard Tractor (2007-10) Parts & Diagrams Parts Lists & Diagrams

46" Yard Tractor