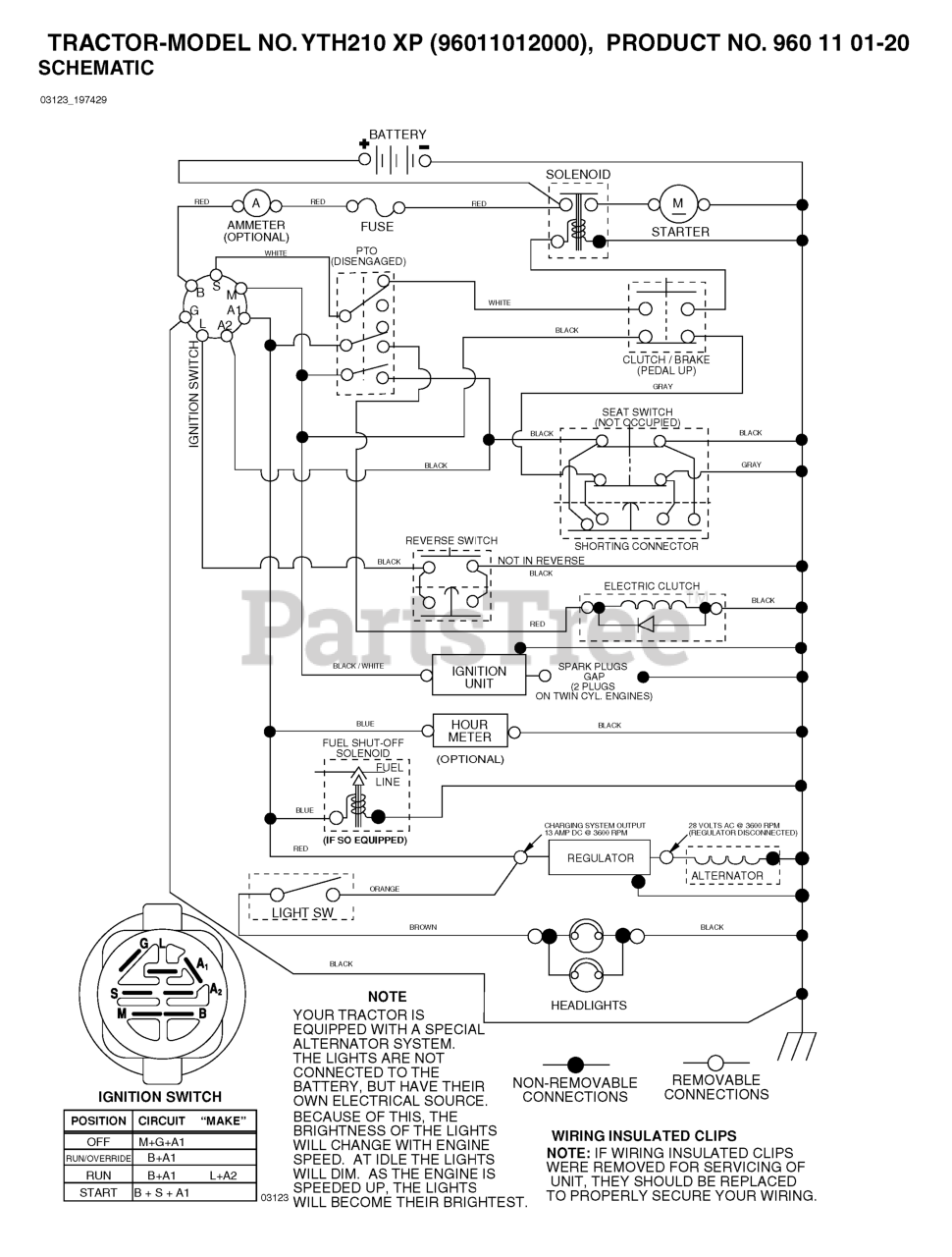
YTH 210 XP (960110120-00) - Husqvarna Yard Tractor (2006-02) SCHEMATIC Parts Diagram

Yard Tractor

SCHEMATIC Parts Diagram

  • Title