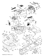
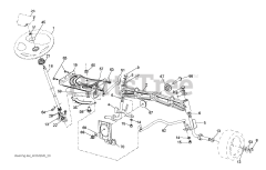
YTH 2348 (917240442) - Husqvarna 48" Yard Tractor (2011-09) Parts & Diagrams Parts Lists & Diagrams

48" Yard Tractor