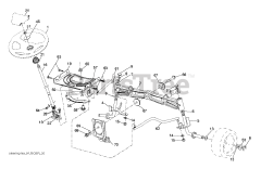
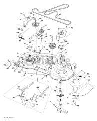
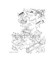
YTH 2348 (917289571) - Husqvarna 48" Yard Tractor (2012-02) Parts & Diagrams Parts Lists & Diagrams

48" Yard Tractor