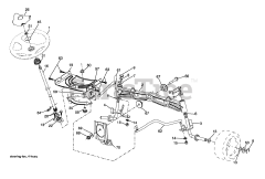
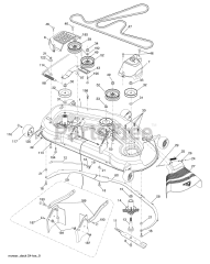
YTH 2454 (960430053-01) - Husqvarna 54" Yard Tractor (2008-09) Parts & Diagrams Parts Lists & Diagrams

54" Yard Tractor