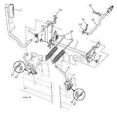
YTH 24K48 (960430278-00) - Husqvarna 48" Yard Tractor (2017-11) Parts & Diagrams Parts Lists & Diagrams

48" Yard Tractor