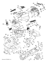
YTH 24K54 (960430133-02) - Husqvarna 54" Yard Tractor (2013-09) Parts & Diagrams Parts Lists & Diagrams

54" Yard Tractor