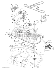
YTH 24K54 (960450079-00) - Husqvarna 54" Yard Tractor (2021-01) Parts & Diagrams Parts Lists & Diagrams

54" Yard Tractor